-
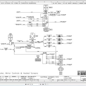
JCB Tractor Fastrac 3230-4 T4F 2013-2017 Electrical and Hydraulic Diagram
50 USDSize: 3.95 MBFormat: PDFLanguage: EnglishBrand: JCBType of Machine: TractorType of Manual: Electric Diagram , Hydraulic DiagramModel: JCB Fastrac 3230-4 T4F (2013-2017) TractorList of Files:334_L7628-5_ Electrical Schematic.pdf (14 Pages)980_31200-1_ Hydraulic Schematic.pdf (2 Pages)REALEASE :


