-
John Deere Excavator 850DLC Diagnostic, Operation and Test Service Manual TM10009
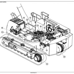
70 USDJohn Deere Excavator 850DLC Diagnostic, Operation and Test Service Manual TM10009Size: 68.2 MBFormat: PDFLanguage: EnglishBrand: John DeereType of machine: ExcavatorType of document: Diagnostic, Operation and Test Service ManualModels: John Deere 850DLC Diagnostic Manual, Operation Manual and Test Service ManualPages: 1009 PagesPart Number: TM10009-65%
REALEASE :
11.06.2021
REALEASE :
11.06.2021

