- NEWS UPDATE 10.2025 - [HOT] How To Discount - How To Pay By Visa Through Paypal - [HOT] Remote Service Support Program - How to Payment and Delivery - Exchange Manual & Software -

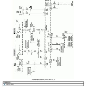
Hitachi Zaxis200 230.270 Excavator KM-178E Workshop Manual

-17%

Expert Support

Full Speed

100% Working

Hitachi Zaxis200 230.270 Excavator KM-178E Workshop Manual

Hitachi Zaxis200 230.270 Excavator KM-178E Workshop Manual
Size : 16.5 MB
Format : PDF
Language : English
Number of Pages : 762 Pages

10 USD

  • Description

Description

Hitachi Zaxis200 230.270 Excavator KM-178E Workshop Manual
Size : 16.5 MB
Format : PDF
Language : English
Number of Pages : 762 Pages