- NEWS UPDATE 11.2025 - [HOT] How To Discount - How To Pay By Visa Through Paypal - [HOT] Remote Service Support Program - How to Payment and Delivery - Exchange Manual & Software -

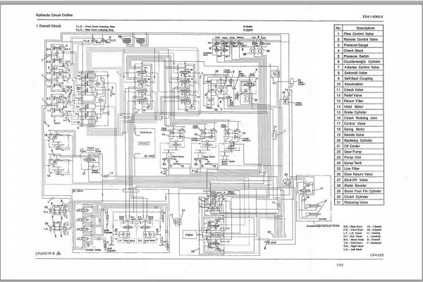
Linkbelt Lattice Boom Crawler Crane LS-248H Service Manual

-33%

Expert Support

Full Speed

100% Working

Linkbelt Lattice Boom Crawler Crane LS-248H Service Manual

Linkbelt Lattice Boom Crawler Crane LS-248H Service Manual
Size: 22.5 MB (Rar file)
Format: PDF
Language: English
Brand: Linkbelt
Type of machine: Lattice Boom Crawler Crane
Type of document: Service Manual
Model: Linkbelt LS-248H Crane Service Repair Manual
Content:
– 99 Items PDF

20 USD

  • Description

Description

Linkbelt Lattice Boom Crawler Crane LS-248H Service Manual
Size: 22.5 MB (Rar file)
Format: PDF
Language: English
Brand: Linkbelt
Type of machine: Lattice Boom Crawler Crane
Type of document: Service Manual
Model: Linkbelt LS-248H Crane Service Repair Manual
Content:
– 99 Items PDF