✓
Expert Support
✓
Full Speed
✓
100% Working
Skyjack Articulating Booms SJ46AJ SJ51AJ Service Manual 166876AH 2022
Size: 25.30 MB
Format: PDF
Language: English
Brand: Skyjack
Type of Machine: Articulating Booms
Type of Manual: Service Manual, Electrical Schematic, Hydraulic Schematic
Model: Skyjack SJ46AJ, SJ51AJ Articulating Booms
Serial Number: 95000657 to 95000852
Part Number: 166876AH
Publication Date: 2022
Number of Pages: 210 Pages
20 USD
- Description
Description
Contents:
Section 1 – Scheduled Maintenance
Operator’s Responsibility for Maintenance
Service and Maintenance
Tables
Scheduled Maintenance Inspections and Function Tests
Section 2 – Maintenance Tables and Diagrams
Tables
Diagrams
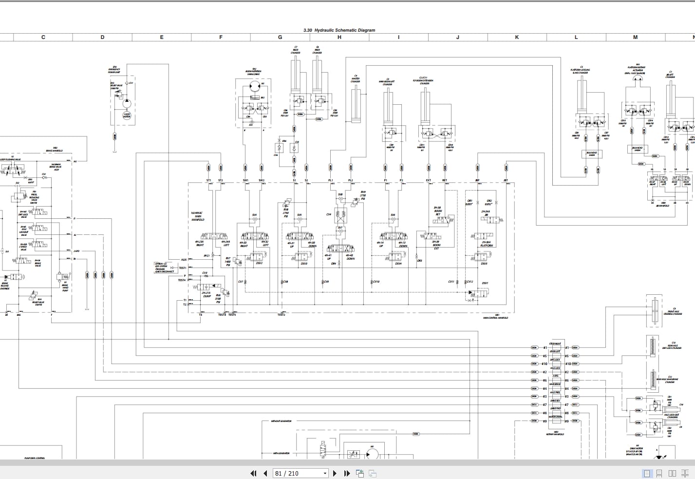
Section 3 – System Component Identification and SChematics
Charts
Parts Lists
Diagrams and Schematics
Section 4 – Troubleshooting Information
Introduction
4.1 Electrical System
4.2 Hydraulic System
4.3 Load Sensing System – CE
Section 5 – Procedures
General
Safety and Workmanship
Platform
Boom
Turret
Deutz Diesel Engine
GM Dual Fuel Engine
Hydraulic Tank
Manifold and Hydraulic Pumps
Axles
Grease Points
Options













