Expert Support
Full Speed
100% Working
Skyjack Articulating Booms SJ46AJ SJ51AJ Service Manual 194313AN 2023
20 USD
- Description
Description
Contents:
Section 1 – Scheduled Maintenance
1.1 Read and Heed
1.2 Maintenance and Service
1.3 Scheduled Maintenance
1.4 Owner’s Annual Inspection Record
1.5 Pre-Delivery/Maintenance Inspection Checklist
1.6 Scheduled Maintenance Inspections
1.7 Function Tests
Section 2 – Maintenance Tables and Diagrams
2.1 Standard Hose Numbering System
2.2 Torque Specifications for Fasteners (US Imperial)
2.3 Torque Specifications for Fasteners (Metric)
2.4 Torque Specifications for Hydraulic Couplings & Hoses
2.5 MEWP Torque Specifications
2.6 Axle Torque Specifications
2.7 Axle Maintenance Intervals
2.8 Maximum Platform Capacity
2.9 Tire Specifications
2.10 Floor Loading Pressure
2.11 Hydraulic Specifications & Gear Oil
2.12 Specifications & Features – Dimensions & Speeds
2.13 Engine Specifications
2.14 Dimension and Reach Diagrams – SJ46AJ
2.15 Dimension and Reach Diagrams – SJ51AJ
2.16 Axle Oscillation Diagram
Section 3 – System Component Identification and Schematics
3.1 Electrical Symbol Chart
3.2 Hydraulic Symbol Chart
3.3 Wire Number and Color Code
3.4 Hydraulic Parts List
3.5 Electrical Parts List
3.6 Brake Manifold Components and Ports
3.7 Rotary Manifold Ports
3.8 Drive and System Pump Ports
3.9 Drive and System Pump Ports
3.10 Drive Motor Ports
3.11 Jib Valve Ports
3.12 Pressure Reducing Valve Ports
3.13 Main Manifold Ports
3.14 Generator Control Valve and Manifold
3.15 Main Electrical Harness and Fuel Level Switch Harness
3.16 ECU Engine Wiring Diagram – Deutz D2011
3.17 Glow Plug Harnesses – Deutz D2.9L
3.18 Glow Plug Harnesses – Deutz D2011
3.19 Engine Interface Harness – GM
3.20 Platform Harnesses
3.21 Platform Control Cables
3.22 Limit Switch Connections at Base Controls
3.23 Load Sensing Cable Connections – CE & AS
3.24 All Motion Alarm Connections – CE & AS
3.25 Flashing Amber Light Connections
3.26 SGE Wiring Diagram
3.27 SGE Platform Control Wiring Diagram
3.28 Oil Cooler and 3.5 kW Generator Base Control Box Wiring
3.29 Generator (3.5 kW) Platform Control Box Wiring
3.30 Oil Cooler and 12 kW Generator Base Control Box Wiring
3.31 Generator (12 kW) Platform Control Box Wiring
3.32 12kW Generator Electrical Connections
3.33 Load Circuit Wiring – No Generator
3.34 Load Circuit Wiring – 3.5 kW Generator
3.35 Load Circuit Wiring – 7.5 or 12.5 kW Generator
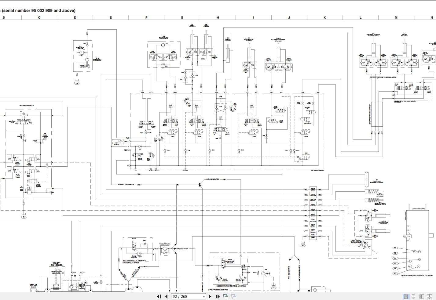
3.36 Hydraulic Schematic (serial number 95 002 909 and above)
3.37 Hydraulic Schematic (serial number 95 001 717 to 95 002 908)
3.38 Hydraulic Schematic (serial number 95 001 716 and below)
3.39 Platform Control Box Wiring – ANSI/CSA – GM
3.40 Platform Control Box Wiring – ANSI/CSA – Deutz & Perkins
3.41 Platform Control Box Wiring – CE – Deutz
3.42 Platform Control Box Wiring – AS – Deutz
3.43 Base Control Box Wiring – ANSI/CSA – GM
3.44 Base Control Box Wiring – ANSI/CSA – Kubota WG2503
3.45 Base Control Box Wiring – ANSI/CSA – Deutz D2011
3.46 Base Control Box Wiring – ANSI/CSA – Deutz D2011 with Positive Air Shut-Off Option
3.47 Base Control Box Wiring – ANSI/CSA – Deutz D2.9L
3.48 Base Control Box Wiring – ANSI/CSA – Deutz D2.9L with Positive Air Shutoff Option
3.49 Base Control Box Wiring – ANSI/CSA – Perkins 2.2TA
3.50 Base Control Box Wiring – CE – Deutz D2.2
3.51 Base Control Box Wiring – CE – Deutz D2011
3.52 Base Control Box Wiring – AS – Deutz D2011
3.53 Electrical Schematic – ANSI/CSA – GM
3.54 Electrical Schematic – ANSI/CSA – Kubota WG2503 (S/N: 95003121 and below)
3.55 Electrical Schematic – ANSI/CSA – Kubota WG2503 (S/N: 95003122 and above)
3.56 Electrical Schematic – ANSI/CSA – Deutz D2011 (S/N: 95003121 and below)
3.57 Electrical Schematic – ANSI/CSA – Deutz D2011 (S/N: 95003122 and above)
3.58 Electrical Schematic – ANSI/CSA – Deutz D2.9L (S/N: 95003121 and below)
3.59 Electrical Schematic – ANSI/CSA – Deutz D2.9L (S/N: 95003122 and above)
3.60 Electrical Schematic – ANSI/CSA – Perkins 2.2TA (S/N: 95003121 and below)
3.61 Electrical Schematic – ANSI/CSA – Perkins 2.2TA (S/N: 95003122 and above)
3.62 Electrical Schematic – CE – Deutz D2.2
3.63 Electrical Schematic – CE – Deutz D2011 (S/N: 95003121 and below)
3.64 Electrical Schematic – CE – Deutz D2011 (S/N: 95003122 and above)
3.65 Electrical Schematic – AS – Deutz D2011 (S/N: 95003121 and below)
3.66 Electrical Schematic – AS – Deutz D2011 (S/N: 95003122 and above)
3.67 Interface & Engine Electrical Schematic – GM
3.68 Interface & Engine Electrical Schematic – Kubota WG2503 (S/N: 95003121 and below)
3.69 Interface & Engine Electrical Schematic – Kubota WG2503 (S/N: 95003122 and above)
3.70 Interface & Engine Electrical Schematic – Deutz D2.9L (S/N: 95003121 and below)
3.71 Interface & Engine Electrical Schematic – Deutz D2.9L (S/N: 95003122 and above)
3.72 Engine Harness – Deutz D2.9L
3.73 Engine Interface Harness – Perkins 2.2T (S/N: 95003121 and below)
3.74 Engine Interface Harness – Perkins 2.2T (S/N: 95003122 and above)
3.75 Engine OEM Harness – Perkins 2.2T (S/N: 95003121 and below)
3.76 Engine OEM Harness – Perkins 2.2T (S/N: 95003122 and above)
3.77 Engine Component Harness – Perkins 2.2T (S/N: 95003121 and below)
3.78 Engine Component Harness – Perkins 2.2T (S/N: 95003122 and above)
3.79 Engine Electrical Schematic – Deutz D2.2
3.80 Engine Interface Harness – Deutz D2.2
Section 4 – Troubleshooting Information
4.1 Introduction
4.2 Electrical System
4.3 Hydraulic System
4.4 Load Sensing System – CE
Section 5 – Procedures
5.1 General
5.2 Platform
5.3 Boom
5.4 Turret
5.5 Deutz Diesel Engines
5.6 Hydraulic Tank
5.7 Kubota WG2503 Dual Fuel Engine
5.8 Manifold and Hydraulic Pumps
5.9 Axles
5.10 Grease Points
5.11 Options













