Expert Support
Full Speed
100% Working
Skyjack Articulating Booms SJ85AJ Service Manual 229044AHA 2023
20 USD
- Description
Description
Contents:
Section 1 – Maintenance
1.1 Read and Heed
1.2 General information
1.3 Scheduled maintenance and inspections
1.4 Owner’s Annual Inspection Record
1.5 Pre-Delivery/Maintenance Inspection Checklist
1.6 Scheduled Maintenance Inspections
1.7 Function tests
Section 2 – Maintenance Tables and Diagrams
2.1 Standard Hose Numbering System
2.2 Torque Specifications for Fasteners (US)
2.3 Torque Specifications for Fasteners (Metric)
2.4 Torque Specifications for Hydraulic Couplings & Hoses
2.5 Axle Torque Specifications
2.6 Axle Maintenance Intervals
2.7 MEWP Torque Specifications
2.9 Platform Capacities
2.8 Tire Specifications
2.10 Floor Loading Pressure
2.11 Specifications & Features – Dimensional Data
2.12 Specifications and Features – Performance & Speeds
2.13 Hydraulic Specifications
2.14 Specifications and Features – Engines & Fluids
2.15 Reach
2.16 Dimensions
2.17 Axle Oscillation Zones
Section 3 – System Component Identification and Schematics
3.1 Electrical Symbol Chart
3.2 Hydraulic Symbol Chart
3.3 Wire Numbers and Color Codes
3.4 Wire Numbers and Color Codes – Additional
3.5 Hydraulic Parts List
3.6 Electrical Parts List
3.7 Brake Manifold Port Identification
3.8 Jib Manifold Port Identification
3.9 Main Manifold – Hose Port Identification
3.10 Main Manifold – Hydraulic Components
3.11 Main Manifold – Electrical Components
3.12 Major Components
3.13 SGE Harness Connection
3.14 Jib and Platform Rotate Harness Connections
3.15 Footswitch Harness Connection
3.16 Main Manifold Harness
3.17 Platform to Base Control Cables
3.18 Limit Switch Connections – Base Control Box
3.19 Engine Control Wiring – Deutz TD2.9L
3.20 Engine Control Wiring – Deutz D2011
3.21 Engine Control Wiring – Kubota WG3800
3.22 Deutz EDC-F Harness
3.23 Load Cell Wiring
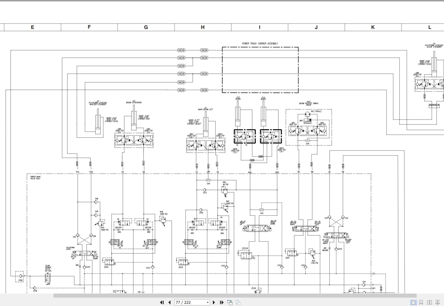
3.24 Hydraulic Schematic
3.25 Electrical Schematic – ANSI/CSA with a platform upper indicator lights module
3.26 Electrical Schematic – ANSI/CSA with individual platform upper indicator LEDs
3.27 Electrical Schematic – CE with Deutz TCD2.2 Engine with a platform upper indicator lights module
3.28 Electrical Schematic – CE with Deutz TCD2.2 Engine with individual platform upper indicator LEDs
3.29 Electrical Schematic – CE with Deutz TD2.9L, Deutz D2011 or Kubota Engines with a single platform upper indicator light module
3.30 Electrical Schematic – CE with Deutz TD2.9L, Deutz D2011 or Kubota Engines with individual platform upper indicator LEDs
3.31 Electrical Schematic – AS with a platform upper indicator lights module
3.32 Electrical Schematic – AS with individual platform upper indicator LEDs
3.33 Platform Controls Wiring – Deutz TD2.9L, Deutz D2011, Kubota, Perkins with a single indicator light module
3.34 Platform Controls – Harness View – Deutz TD2.9L, Deutz D2011, Kubota, Perkins with a single indicator light module
3.35 Platform Controls – Schematic View – Deutz TD2.9L, Deutz D2011, Kubota, Perkins with a single indicator light module
3.36 Platform Controls Wiring – Deutz TD2.9L, Deutz D2011, Kubota, Perkins with individual indicator LEDs
3.37 Platform Controls – Harness View – Deutz TD2.9L, Deutz D2011, Kubota, Perkins with individual indicator LEDs
3.38 Platform Controls – Schematic View – Deutz TD2.9L, Deutz D2011, Kubota, Perkins with individual indicator LEDs
3.39 Platform Controls Wiring – Deutz TCD2.2 with a single indicator light module
3.40 Platform Controls – Harness View – Deutz TCD2.2 with a single indicator light module
3.41 Platform Controls – Schematic View – Deutz TCD2.2 with a single ndicator light module
3.42 Platform Controls Wiring – Deutz TCD2.2 with individual indicator LEDs
3.43 Platform Controls – Harness View – Deutz TCD2.2 with individual indicator LEDs
3.44 Platform Controls – Schematic View – Deutz TCD2.2 with individual indicator LEDs
3.45 Base Controls Wiring – ANSI/CSA
3.46 Base Controls Wiring – ANSI/CSA with Positive Air Shut-off Option
3.47 Base Controls Wiring – CE & AS with Deutz TD2.9L or D2011 Engine
3.48 Base Controls Wiring – CE & AS with Deutz TCD2.2 Engine
3.49 Engine Schematic – Deutz TD2.9L
3.50 Engine Schematic – Deutz D2011
3.51 Engine Schematic – Deutz TCD2.2
3.52 Engine Schematic – Kubota WG3800
3.53 Engine Harness – Deutz TD2.9L
3.54 Engine Harness – Deutz TCD2.2
3.55 Engine Harness – Kubota WG3800
Section 4 – Troubleshooting Information
4.1 Introduction
4.2 Electrical System
4.3 Hydraulic System
Section 5 – Procedures
5.1 Safety and Workmanship
5.2 Platform
5.3 Load Sensing System
5.4 Boom
5.5 Turret
5.6 Deutz Diesel Engines
5.7 Hydraulic Tank
5.8 Manifolds and Hydraulic Pumps
5.9 Axles
5.10 Grease Points













