Expert Support
Full Speed
100% Working
Skyjack DC Electric Scissors SJ3013 SJ3014 micro Service Manual 238839ABA 2020
20 USD
- Description
Description
Contents:
Section 1 – Scheduled Maintenance
1.1 Read And Heed
1.2 Maintenance And Inspection Schedule
1.3 Owner’s Annual Inspection Record
1.4 Frequent/Periodic/Annual/Pre-Delivery Inspection Checklist
1.5 General Inspections
1.6 Base Inspection
1.7 Lift Mechanism Inspection
1.8 Platform Inspection
1.9 Function Tests
Section 2 – Maintenance Tables And Diagrams
2.1 Torque Specifications For Fasteners (Us)
2.2 Torque Specifications For Fasteners (Metric)
2.3 Torque Specifications For Hydraulic Couplings & Hoses
2.4 Specifications & Features
2.5 Maximum Platform Capacities (Evenly Distributed)
2.6 Floor Loading Pressure
2.7 Wheel Nut Torque
Section 3 – System Component Identification And Schematics
3.1 Platform To Base Control Cable
3.2 Large Current Wiring Diagram
3.3 Ground Control Wiring Diagram (Page 1 Of 2)
3.4 Ground Control Wiring Diagram (Page 2 Of 2)
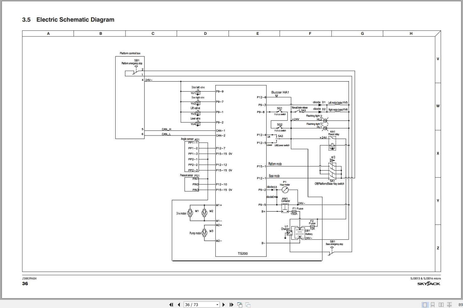
3.5 Electric Schematic Diagram
3.6 Hydraulic Schematic Diagram
Section 4 – Troubleshooting Information
4.1 Introduction
4.2 Electrical System
4.3 Hydraulic System
Section 5 – Procedures
5.1 General
5.2 *.Pgt Setting File Upload Process
5.3 Ts200












