Expert Support
Full Speed
100% Working
Skyjack DC Electric Scissors SJ3215 SJ3219 Service Manual 212508AFA 2023
20 USD
- Description
Description
Contents:
Section 1 – Maintenance
1.1 Read and Heed
1.2 General information
1.3 Scheduled maintenance and inspections
1.4 Owner’s annual inspection record
1.5 Frequent/periodic/annual/pre-delivery inspection checklist
1.6 Scheduled maintenance inspections
1.7 Function tests
Section 2 – Maintenance Tables and Diagrams
2.1 Standard hose numbering system
2.2 Torque Specifications for Fasteners (US)
2.3 Torque Specifications for Fasteners (Metric)
2.4 Torque specifications for hydraulic couplings & hoses
2.5 MEWP torque specifications
2.6 Floor loading pressure
2.7 Specifications & features – SJ3215
2.8 Specifications & features – SJ3219
2.9 Maximum platform capacities (evenly distributed)
Section 3 – System Component Identification and Schematics
3.1 Electrical symbol chart
3.2 Hydraulic symbol chart
3.3 Wire number and colour code
3.4 Hydraulic parts list
3.5 Electrical parts list
3.6 Platform control box wiring
3.7 Platform control box wiring – SGLE
3.8 Platform control box wiring – footswitch
3.9 Base to platform control cable
3.10 Base control wiring
3.11 Emergency lowering switch wiring
3.12 Pothole limit switch wiring
3.13 Holding valve and pressure transducer harnesses
3.14 Battery management system harness
3.15 Anti-overrising limit switch wiring (KC only)
3.16 Anti-overrising limit switch harness (KC only)
3.17 Free-wheeling manifold MB2
3.18 Brake manifold MB4 (CE, AS & KC)
3.19 Lift cylinder manifold MB3
3.20 Major component identification
3.21 Main manifold MB1
3.22 Hydraulic schematic – SJ3215 ANSI/CSA
3.23 Hydraulic schematic – SJ3215 CE, AS & KC
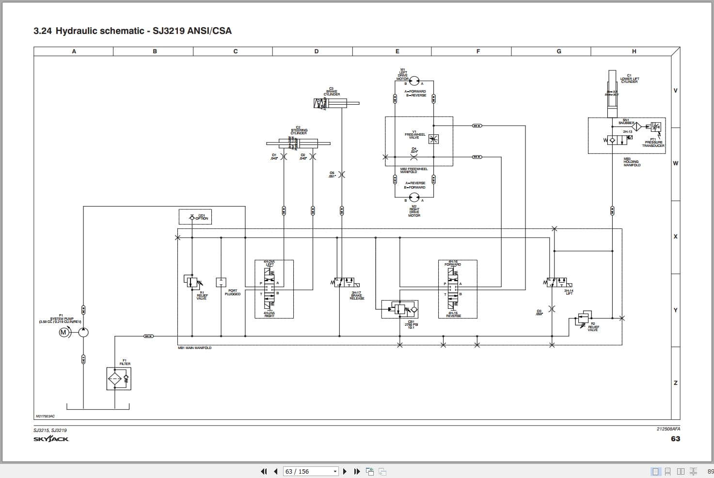
3.24 Hydraulic schematic – SJ3219 ANSI/CSA
3.25 Hydraulic schematic – SJ3219 CE
3.26 Hydraulic schematic – SJ3219 AS & KC
3.27 Elevate Telematics harness
3.28 Electrical schematic – ANSI/CSA
3.29 Electrical schematic – CE
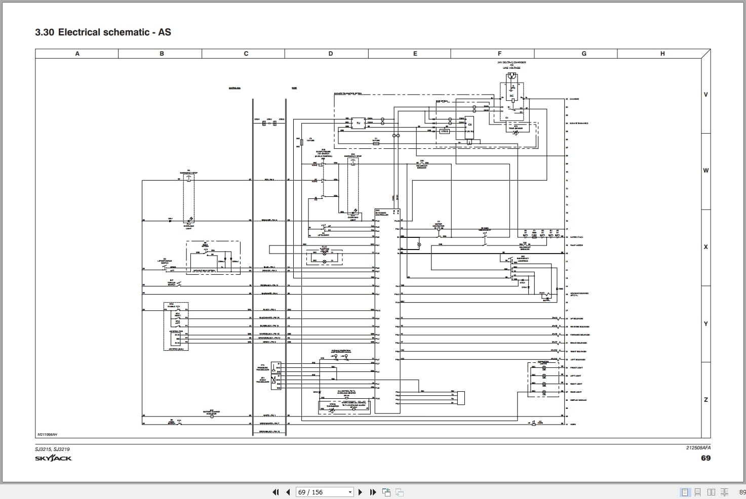
3.30 Electrical schematic – AS
3.31 Electrical schematic – KC
3.32 Main harness
3.33 Main harness wiring
Section 4 – Troubleshooting Information
4.1 Introduction
4.2 Electrical system
4.3 Hydraulic system
Section 5 – Procedures
5.1 Safety and workmanship
5.2 Platform
5.3 Base
5.4 Battery Charger
5.5 Skycoded control module
5.6 Flash the controller













