Expert Support
Full Speed
100% Working
Skyjack DC Electric Scissors SJ3215E SJ3219E Service Manual 248003ABA 2023
20 USD
- Description
Description
Contents:
Section 1 – Maintenance
1.1 Read and Heed
1.2 General information
1.3 Scheduled maintenance and inspections
Section 2 – Specifications
2.1 Standard hose numbering system
2.2 Torque specifications for fasteners (metric)
2.3 Torque specifications for fasteners (US)
2.4 Torque specifications for hydraulic couplings & hoses
2.5 MEWP torque specifications
2.6 Specifications & features – SJ3215 E
2.7 Specifications & features – SJ3219 E
2.8 Platform capacities
Section 3 – Component Identification and Schematics
3.1 Electrical symbol chart
3.2 Hydraulic symbol chart
3.3 Wire number and colour code
3.4 Hydraulic parts list
3.5 Electrical parts list
3.6 Platform to base control cable
3.7 Base controls harness
3.8 Brake release/E-lowering module
3.9 Beeper
3.10 Holding valve harness
3.11 Pressure transducer harness
3.12 Drive motor harnesses
3.13 E-drive harness – KC
3.14 Anti-overrising jumper harness – KC
3.16 Pothole protection limit switches
3.15 Battery management system (BMS) harness
3.17 Zapi controller wiring connections
3.18 Battery wiring connections
3.19 Main manifold
3.20 Lift cylinder
3.21 Hydraulic hose connections
3.22 Major Components
3.23 Hydraulic Schematic – SJ3215 E ANSI/CSA, SJ3219 E ANSI/CSA, AS & KC
3.24 Hydraulic Schematic – SJ3215 E CE, AS & KC
3.25 Hydraulic Schematic – SJ3219 E CE
3.26 Electrical Schematic – ANSI/CSA – All Options
3.27 Electrical Schematic – ANSI/CSA – No Options
3.28 Electrical Schematic – ANSI/CSA – EE Rated
3.29 Electrical Schematic – CE, AS & KC – All Options
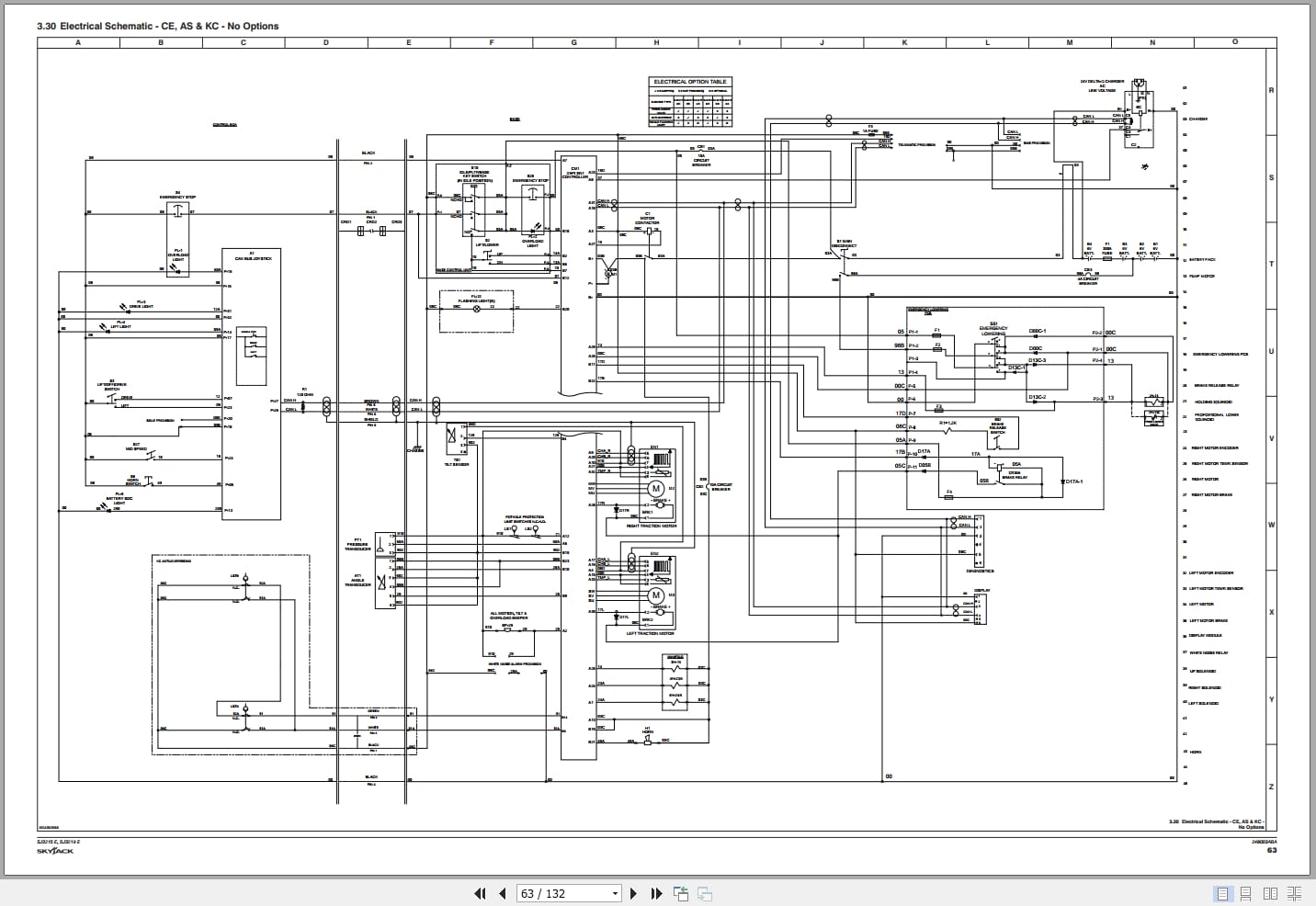
3.30 Electrical Schematic – CE, AS & KC – No Options
3.31 Platform Control Box Harness – ANSI/CSA, CE, AS
3.32 Platform Control Box Harness – KC
3.33 Main Harness Pinout
3.34 Main Harness Schematic
Section 4 – Troubleshooting Information
4.1 Introduction
4.2 Electrical System
4.3 Hydraulic System
Section 5 – Procedures
5.1 Safety and workmanship
5.2 Platform
5.3 Hydraulic Tray
5.4 Base
5.5 Wheels
5.6 Battery Charger
5.7 Skycoded control module
5.8 ZAPI controller













