







✓
Expert Support
✓
Full Speed
✓
100% Working
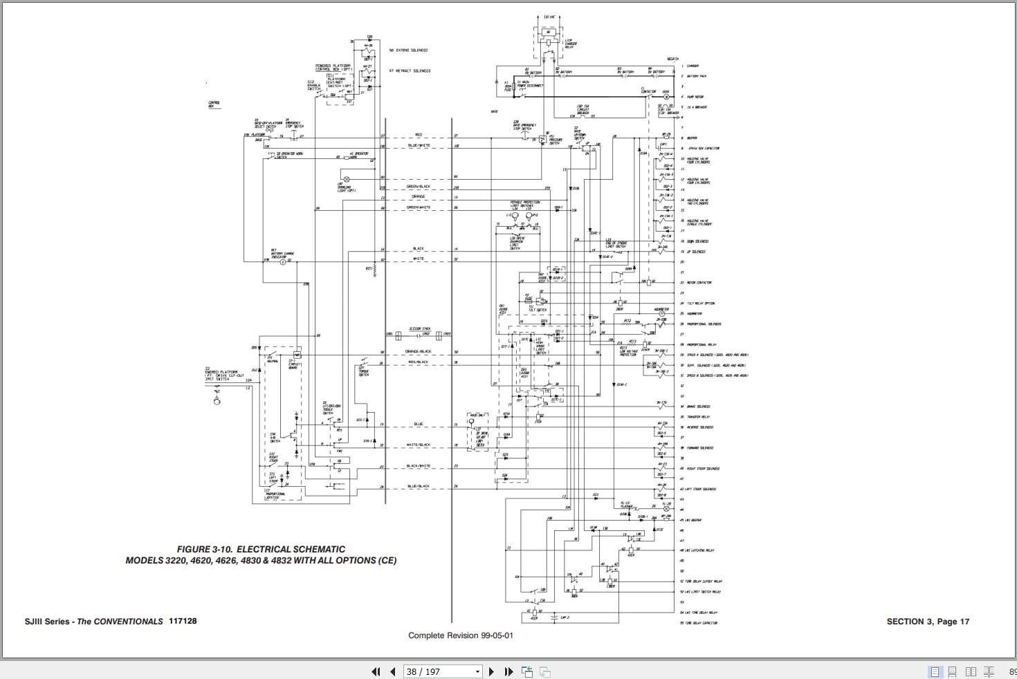
Skyjack DC Electric Scissors SJIII Series 3220 to 6832 Operating Maintenance Parts Manual 117128AH 2022
Size: 11.73 MB
Format: PDF
Language: English
Brand: Skyjack
Type of Machine: DC Electric Scissors
Type of Manual: Operating Manual, Maintenance Manual, Parts Manual, Electrical Schematic, Hydraulic Schematic
Model: Skyjack SJIII Series
SJIII3220, SJIII4620, SJIII4626,
SJIII4830, SJIII4832, SJIII6832
Serial Number:
3220 609330 & Below, 4620 66429 & Below,
4626 704418 & Below, 4830/32 86982 & Below,
6832 82402 & Below
Part Number: 117128AH
Publication Date: 2022
Number of Pages: 197 Pages
15 USD
- Description
Description
Contents:
Section 1 – Introduction
Section 2 – Operation
Section 3 – System Component Identification & Schematics
Section 4 – Troubleshooting
Section 5 – Maintenance & Service
Section 6 – Parts Lists
Related Products
-
Skyjack Vertical Mast Lifts SJ20 Parts Manual 238885ACA 2023
0 out of 515 USDSize: 6.43 MBFormat: PDFLanguage: EnglishBrand: SkyjackType of Machine: Vertical Mast LiftsType of Manual: Parts ManualModel: Skyjack SJ20 Vertical Mast LiftsSerial Number: A601000001 to A601000905Part Number: 238885ACAPublication Date: 2023Number of Pages: 116 PagesREALEASE :
-
Skyjack NA 4.93GB PDF Operating Parts Service Manuals
0 out of 5This is a service information package, you will need to use this to repair a vehicle200140 USDHot-30%
REALEASE :
REALEASE :
-
Skyjack Vertical Mast Lifts SJ12E SJ16E SJ20E Parts Manual 241913ADA 2023
0 out of 515 USDSize: 7.44 MBFormat: PDFLanguage: EnglishBrand: SkyjackType of Machine: Vertical Mast LiftsType of Manual: Parts ManualModel: Skyjack SJ12E, SJ16E, SJ20E Vertical Mast LiftsSerial Number: A601000906 – A601999999Part Number: 241913ADAPublication Date: 2023Number of Pages: 138 PagesREALEASE :
-
Skyjack Vertical Mast Lifts SJ12E SJ16E SJ20E Operating Manual 243762ABA 2022
0 out of 510 USDSize: 5.67 MBFormat: PDFLanguage: EnglishBrand: SkyjackType of Machine: Vertical Mast LiftsType of Manual: Operating ManualModel: Skyjack SJ12E, SJ16E, SJ20E Vertical Mast LiftsSerial Number: A601001639 & abovePart Number: 243762ABAPublication Date: 2022Number of Pages: 92 PagesREALEASE :
-
Skyjack Vertical Mast Lifts SJ20 Operating Manual 236504AFA 2022
0 out of 510 USDSize: 5.17 MBFormat: PDFLanguage: EnglishBrand: SkyjackType of Machine: Vertical Mast LiftsType of Manual: Operating ManualModel: Skyjack SJ20 Vertical Mast LiftsSerial Number: A601000001 – A601000905Part Number: 236504AFAPublication Date: 2022Number of Pages: 94 PagesREALEASE :
-
Skyjack Vertical Mast Lifts SJ12E SJ16E SJ20E Service Manual 241914ADA 2023
0 out of 520 USDSize: 10.70 MBFormat: PDFLanguage: EnglishBrand: SkyjackType of Machine: Vertical Mast LiftsType of Manual: Service Manual, Electrical SchematicModel: Skyjack SJ12E, SJ16E, SJ20E Vertical Mast LiftsSerial Number: A601000906 – A601999999Part Number: 241914ADAPublication Date: 2023Number of Pages: 154 PagesREALEASE :
-
Skyjack Vertical Mast Lifts SJ20 Service Manual 238886ADA 2023
0 out of 520 USDSize: 9.74 MBFormat: PDFLanguage: EnglishBrand: SkyjackType of Machine: Vertical Mast LiftsType of Manual: Service Manual, Electrical SchematicModel: Skyjack SJ20 Vertical Mast LiftsSerial Number: A601000001 to A601000905Part Number: 238886ADAPublication Date: 2023Number of Pages: 158 PagesREALEASE :
-
Skyjack Lift Aerial Working Platform AWP All Models 2020 Documentation PDF DVD
0 out of 5Skyjack Lift Aerial Working Platform AWP All Models 2020 Documentation PDF DVDSize: 6.39 GBFormat: PDFLanguage: EnglishBrand: Skyjack LiftAmount of DVD: 1 DVDWindow: All Window 32 & 64 bit, Mac OSType of Vehicle: Aerial working platform (AWP)Type of Document: Operating – Parts – Service Manuals PDF200110 USDHot-45%
REALEASE :
30.05.2020
REALEASE :
30.05.2020







