✓
Expert Support
✓
Full Speed
✓
100% Working
Skyjack DC Electric Scissors SJIII3215 SJIII3219 Maintenance Parts Manual 118941AL 2022
Size: 20.69 MB
Format: PDF
Language: English
Brand: Skyjack
Type of Machine: DC Electric Scissors
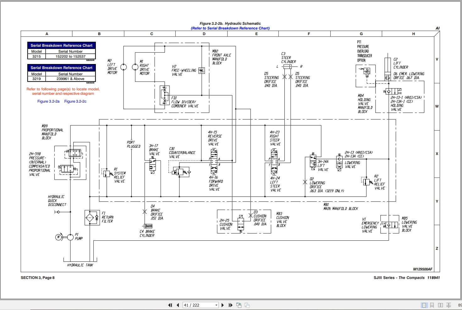
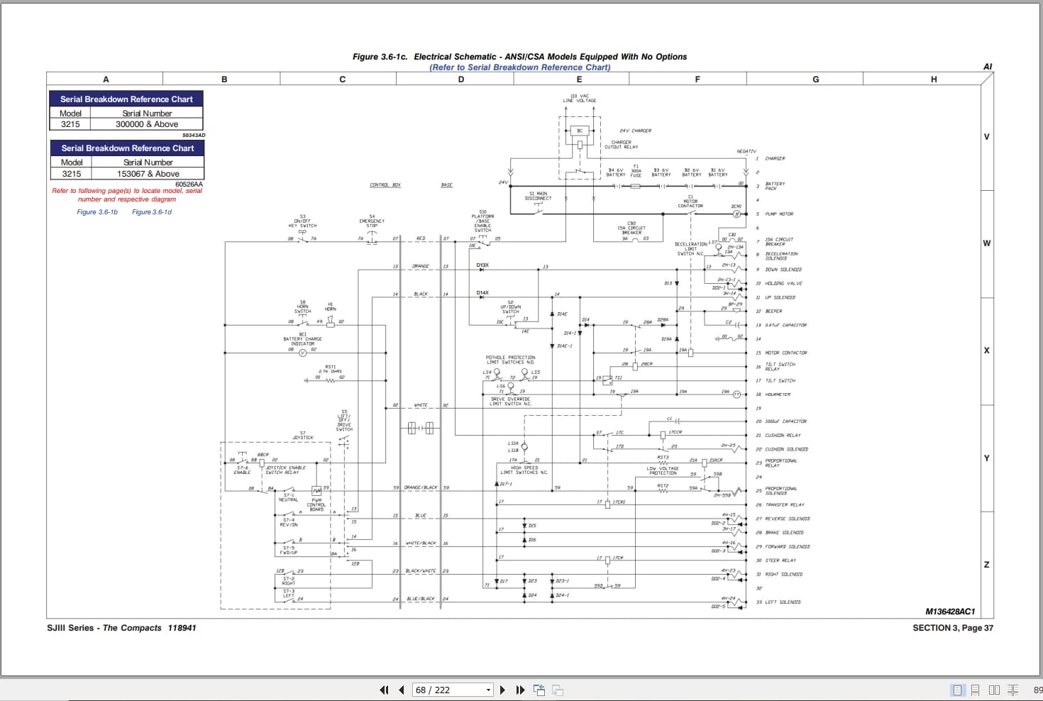
Type of Manual: Maintenance Parts Manual, Electrical Schematic, Hydraulic Schematic
Model: Skyjack SJIII3215, SJIII3219 DC Electric Scissors
Serial Number: 151982 & Above, 236286 & Above
Part Number: 118941AL
Publication Date: 2022
Number of Pages: 222 Pages
15 USD
- Description
Description
Contents:
Section 1 – About Your Aerial Platform
Aerial Platform Definition
Purpose of Equipment
Use of Equipment
Manuals
Operator
Service Policy and Warranty
Optional Accessories
Scope of this Manual
Operator Safety Reminders
Electrocution Hazard
Safety Precautions
Section 2 – List of Tables
Table of Contents
Section 3 – System Component Identification and Schematics – Operation
Table of Contents
Section 4 – Troubleshooting Information – Operation
Table of Contents
Section 5 – Maintenance and Service – Operation
Table of Contents
Section 6 – Parts Lists – Operation













