✓
Expert Support
✓
Full Speed
✓
100% Working
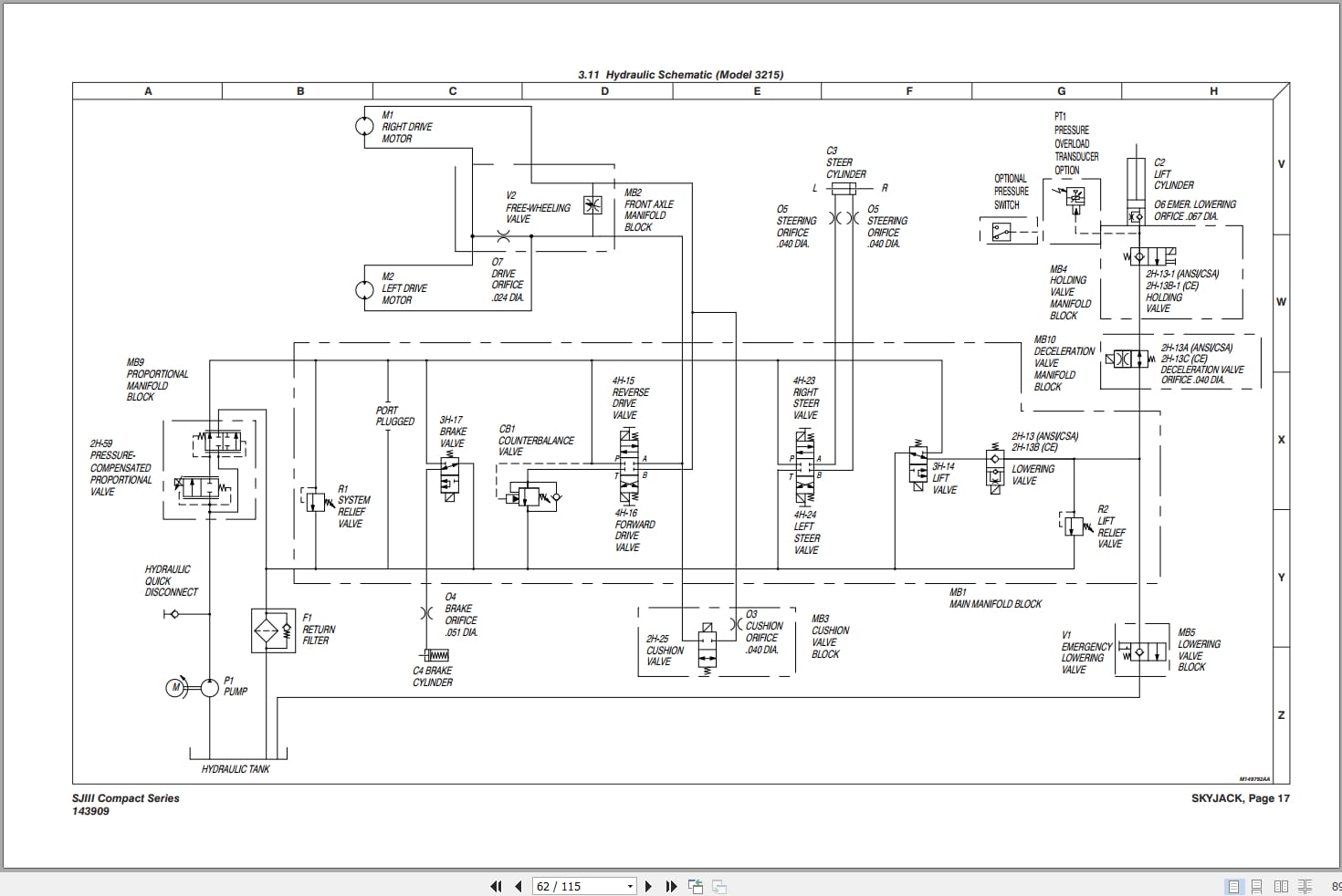
Skyjack DC Electric Scissors SJIII3215 SJIII3219 Service Manual 143909AE 2018
Size: 7.30 MB
Format: PDF
Language: English
Brand: Skyjack
Type of Machine: DC Electric Scissors
Type of Manual: Service Manual, Electrical Schematic, Hydraulic Schematic
Model: Skyjack SJIII3215, SJIII3219 DC Electric Scissors
Serial Number:
CE & AS SJIII3215 10000330 to 10000573, SJIII3219 22013838 to 22019596
ANSI/CSA SJIII3215 10000330 to 10000630, SJIII3219 22013838 to 22022792
Part Number: 143909AE
Publication Date: 2018
Number of Pages: 115 Pages
20 USD
- Description
Description
Contents:Page
Section 1 Maintenance Schedule
Section 2 Maintenance Tables
Section 3 Schematics
Section 4 Troubleshooting
Section 5 Procedures













