✓
Expert Support
✓
Full Speed
✓
100% Working
Skyjack DC Electric Scissors SJIII3219 Service Manual 210276AD 2023
Size: 5.59 MB
Format: PDF
Language: English
Brand: Skyjack
Type of Machine: DC Electric Scissors
Type of Manual: Service Manual, Electrical Schematic, Hydraulic Schematic
Model: Skyjack SJIII3219 DC Electric Scissors
Serial Number: 80100000 to 80149999
Part Number: 210276AD
Publication Date: 2023
Number of Pages: 106 Pages
20 USD
- Description
Description
Contents:
Section 1 – Scheduled Maintenance
Operator’s Responsibility for Maintenance
Service and Maintenance
Tables
Scheduled Maintenance
Section 2 – Maintenance Tables and Diagrams
Tables
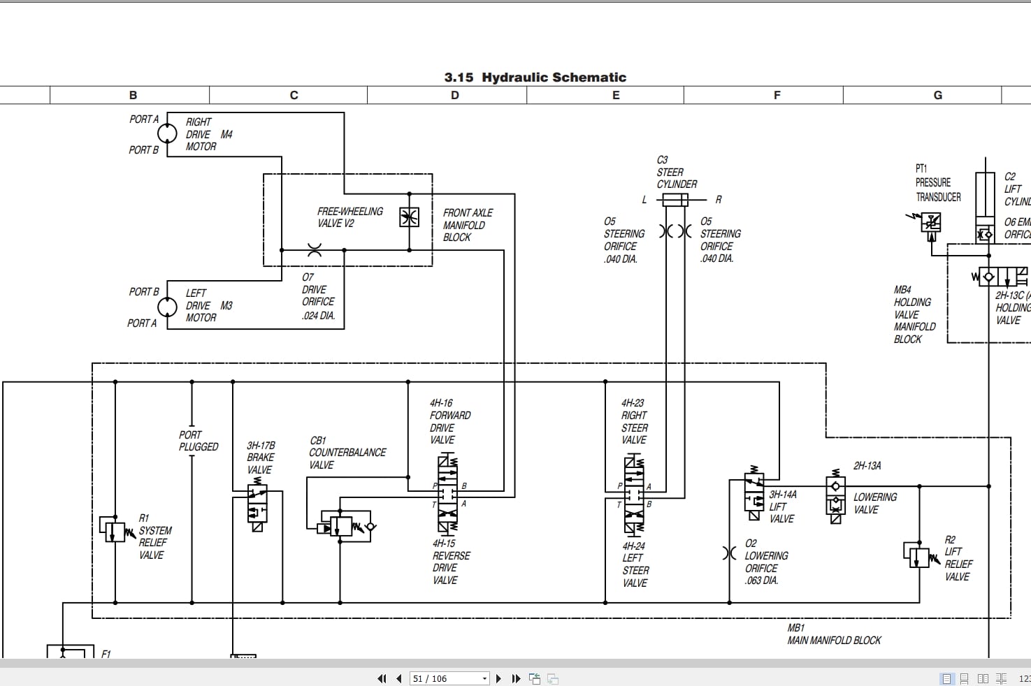
Section 3 – System Component Identification and Schematics
Charts
Parts List
Diagrams and Schematics
Section 4 – Troubleshooting Information
Introduction
Electrical System
Hydraulic System
Section 5 – Procedures
Service & Maintenance
Platform
Base
Service & Maintenance













