✓
Expert Support
✓
Full Speed
✓
100% Working
Skyjack Rough Terrain Scissors SJ6826RT SJ6832RT Service Manual 143899AF 2023
Size: 14.60 MB
Format: PDF
Language: English
Brand: Skyjack
Type of Machine: Rough Terrain Scissors
Type of Manual: Service Manual, Electrical Schematic, Hydraulic Schematic
Model: Skyjack SJ6826RT, SJ6832RT Rough Terrain Scissors
Serial Number: 37002164 – 37002787
Part Number: 143899AF
Publication Date: 2023
Number of Pages: 168 Pages
20 USD
- Description
Description
Contents:
Section 1 – Scheduled Maintenance
Operator’s Responsibility for Maintenance
Service and Maintenance
Tables
Scheduled Maintenance
Section 2 – Maintenance Tables and Diagrams
Tables
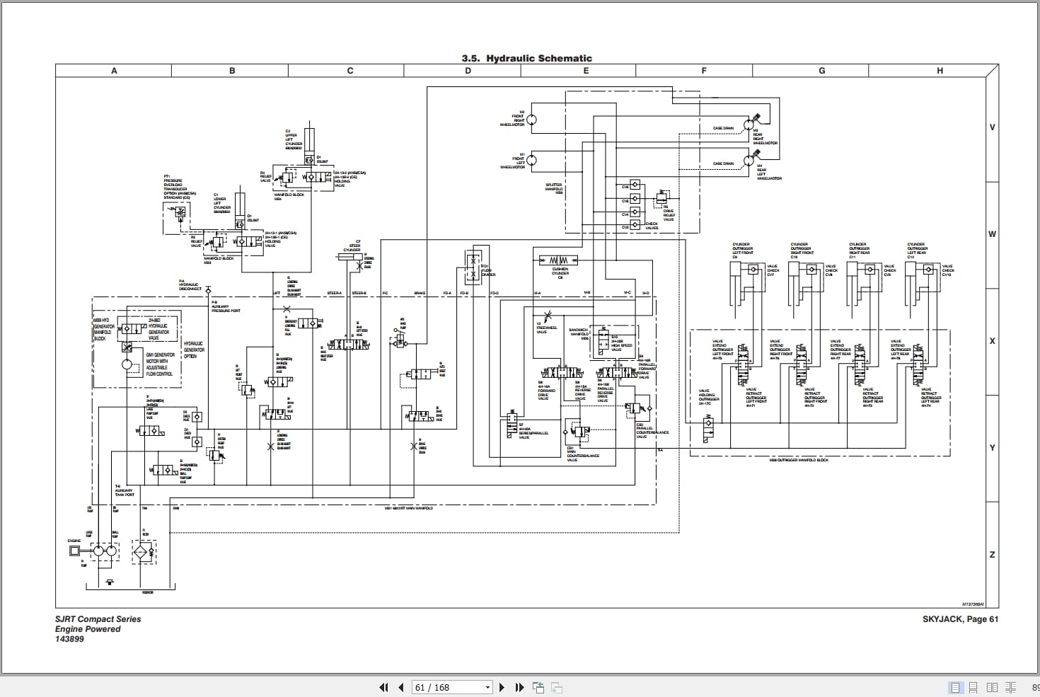
Section 3 – System Component Identification and Schematics
Charts
Parts List
Diagrams and Schematics
Section 4 – Troubleshooting Information
Electrical System
Hydraulic System
Section 5 – Procedures
General
Platform
Base
Hydraulics
Outriggers
Control Modules Identification and Locations
EZcal Diagnostic Tool
OCM1 Control module
GP-102 Control Module
GP-106 Control Module
GP108 Control Module













