✓
Expert Support
✓
Full Speed
✓
100% Working
Skyjack Rough Terrain Scissors SJ6826RT SJ6832RT Service Manual 157951AF 2023
Size: 14.87 MB
Format: PDF
Language: English
Brand: Skyjack
Type of Machine: Rough Terrain Scissors
Type of Manual: Service Manual, Electrical Schematic, Hydraulic Schematic
Model: Skyjack SJ6826RT, SJ6832RT Rough Terrain Scissors
Serial Number: 37002788 – 37004670
Part Number: 157951AF
Publication Date: 2023
Number of Pages: 158 Pages
20 USD
- Description
Description
Contents:
Section 1 – Scheduled Maintenance
Operator’s Responsibility for Maintenance
Service and Maintenance
Tables
Service and Maintenance Inspections
Section 2 – Maintenance Tables and Diagrams
Tables
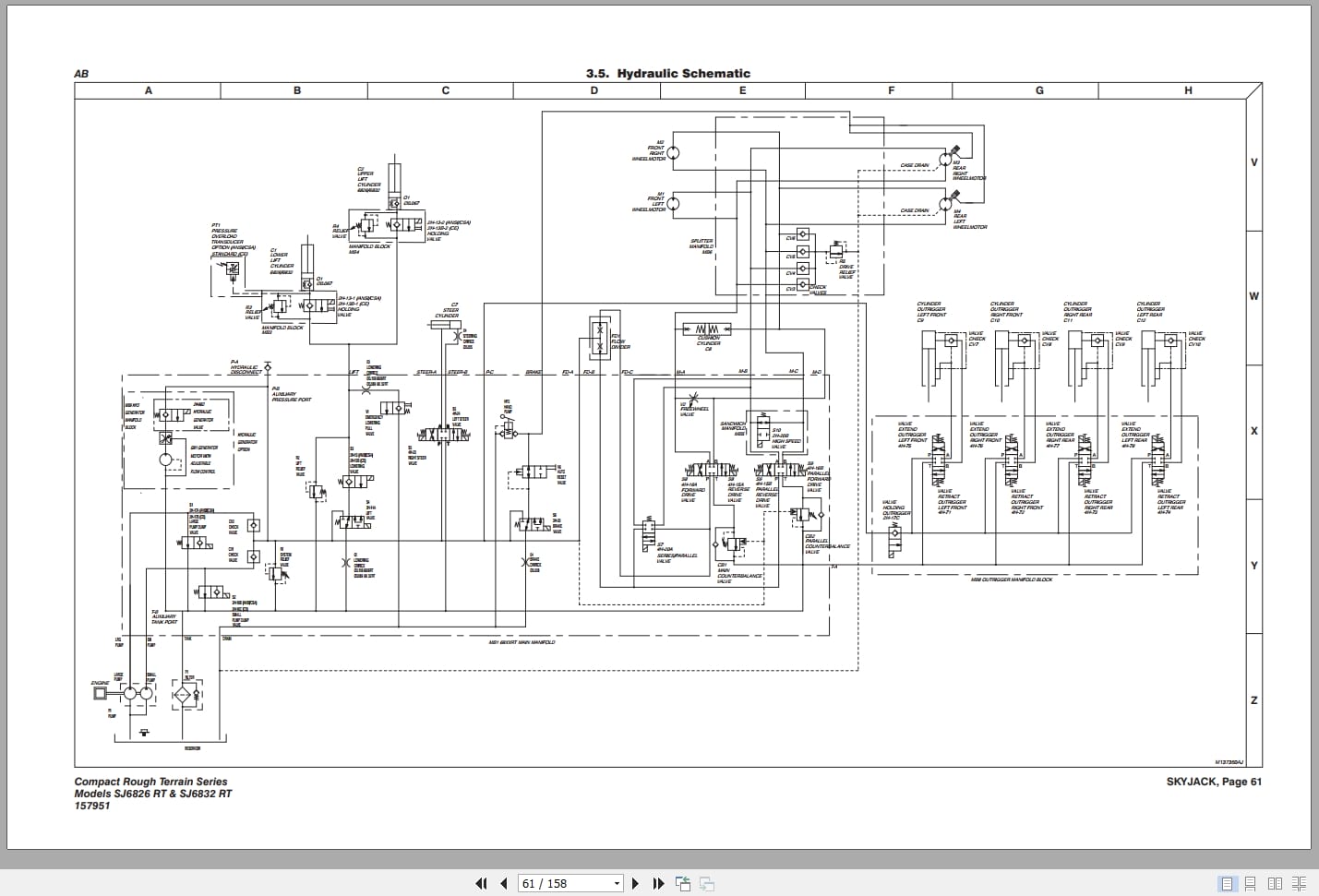
Section 3 – System Component Identification and Schematics
Charts
Parts List
Diagrams and Schematics
Section 4 – Troubleshooting Information
Electrical System
Hydraulic System
Section 5 – Procedures
General
Platform
Scissors
Engine
Base
Hydraulics
Outriggers
EZcal Diagnostic Tool
OCM1 Control Module
GP-106 Control Module
GP-108 Control Module













