- NEWS UPDATE 11.2025 - [HOT] How To Discount - How To Pay By Visa Through Paypal - [HOT] Remote Service Support Program - How to Payment and Delivery - Exchange Manual & Software -

Skyjack Rough Terrain Scissors SJ8831RT SJ8841RT Service Manual 143903AF 2023

Expert Support

Full Speed

100% Working

Skyjack Rough Terrain Scissors SJ8831RT SJ8841RT Service Manual 143903AF 2023

Size: 18.03 MB
Format: PDF
Language: English
Brand: Skyjack
Type of Machine: Rough Terrain Scissors
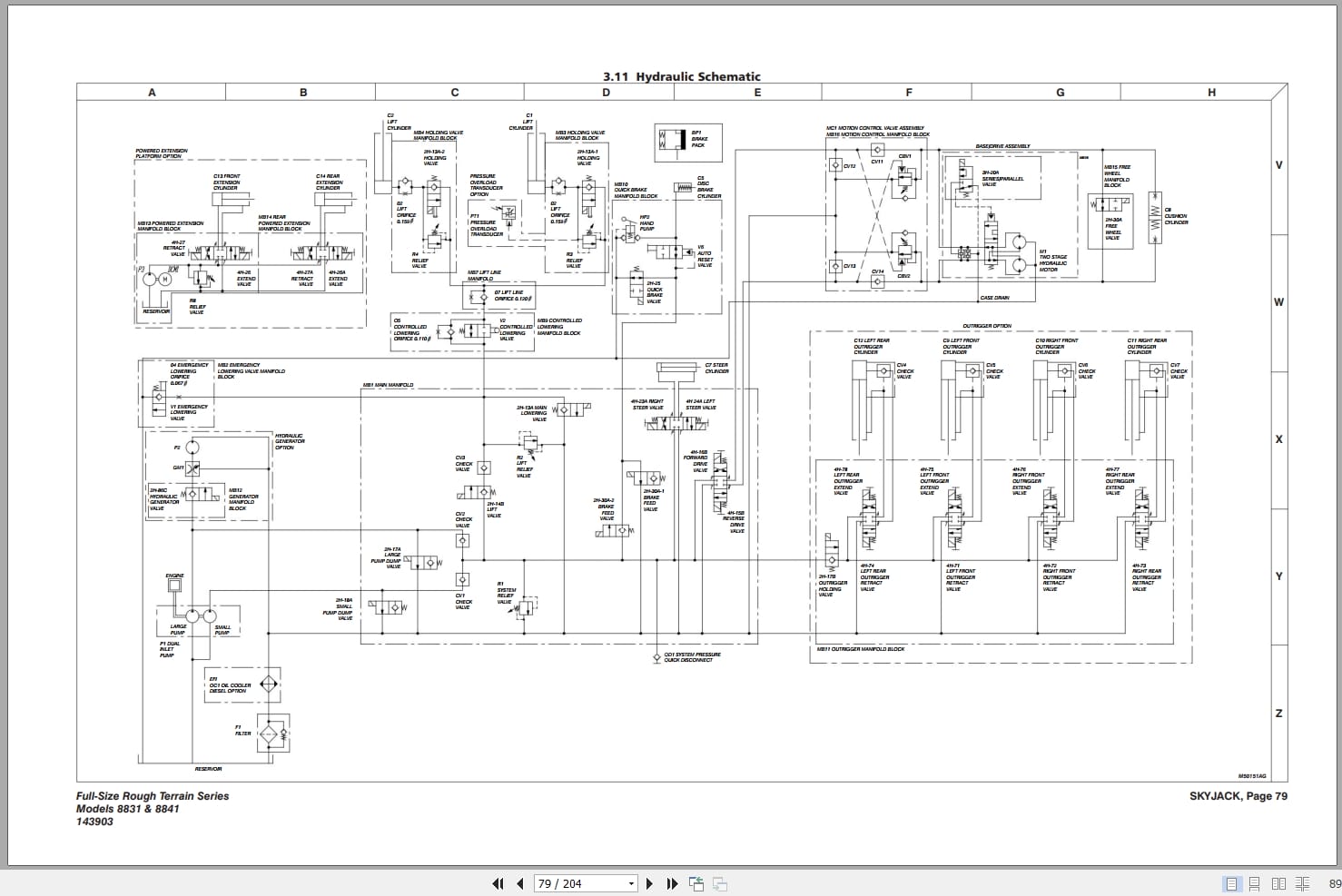
Type of Manual: Service Manual, Electrical Schematic, Hydraulic Schematic
Model: Skyjack SJ8831RT, SJ8841RT Rough Terrain Scissors
Serial Number:
ANSI/CSA & AS SJ8831RT 36000194 – 36000232, SJ8841RT 40000442 – 40000727
CE SJ8831RT 36000194 – 36000228, SJ8841RT 40000442 – 40000635
Part Number: 143903AF
Publication Date: 2023
Number of Pages: 204 Pages

20 USD

  • Description

Description

Contents:
Operator’s Responsibility for Maintenance
Aerial Platform Definition
Service and Maintenance
Tables
Scheduled Maintenance
Section 2 – Maintenance Tables and Diagrams
Tables
Section 3 – System Component Identification and Schematics
3.1 Hydraulic Symbol Chart
Charts
Parts List
Diagrams and Schematics
Section 4 – Troubleshooting Information
Introduction
Electrical System
Hydraulic System
Load Sensing System – CE
Section 5 – Procedures
General
Engine
Base
Hydraulics
Outriggers
Control Modules Identification
EZcal Diagnostic Tool
OCM1 Control Module
GP-102 Control Module
GP-106 Control Module
GP-108 Control Module