✓
Expert Support
✓
Full Speed
✓
100% Working
Skyjack Rough Terrain Scissors SJ8831RT SJ8841RT Service Manual 157945AF 2023
Size: 17.74 MB
Format: PDF
Language: English
Brand: Skyjack
Type of Machine: Rough Terrain Scissors
Type of Manual: Service Manual, Electrical Schematic, Hydraulic Schematic
Model: Skyjack SJ8831RT, SJ8841RT Rough Terrain Scissors
Serial Number: SJ8831RT 36000233 – 36000275, SJ8841RT 40000728 – 40001134
Part Number: 157945AF
Publication Date: 2023
Number of Pages: 172 Pages
20 USD
- Description
Description
Contents:
Section 1 – Schedule Maintenance
Operator’s Responsibility for Maintenance
Service and Maintenance
Tables
Scheduled Maintenance
Section 2 – Maintenance Tables and Diagrams
Tables
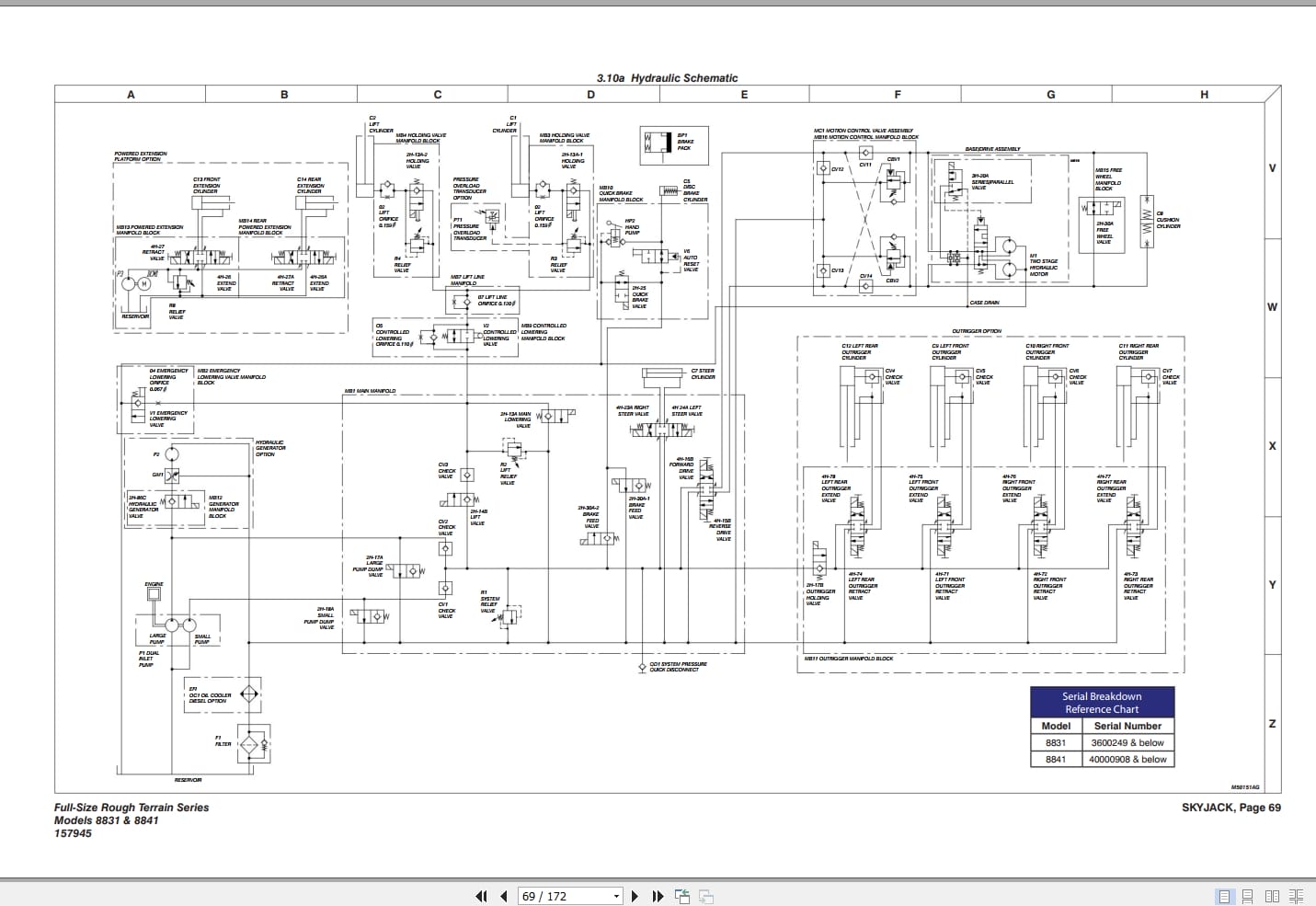
Section 3 – System component identification and schematics
Charts
Parts List
Diagrams and Schematics
Section 4 – Troubleshooting Information
Electrical System
Hydraulic System
Section 5 – Procedures
General
Platform
Scissors
Engines
Base
Hydraulics
Outriggers
Control Modules Identification
EZcal Diagnostic Tool
OCM1 Control Module
GP-106 Control Module
GP-108 Control Module













