✓
Expert Support
✓
Full Speed
✓
100% Working
Skyjack Rough Terrain Scissors SJ9250RT Maintenance Parts Manual 117089AM 2022
Size: 14.39 MB
Format: PDF
Language: English
Brand: Skyjack
Type of Machine: Rough Terrain Scissors
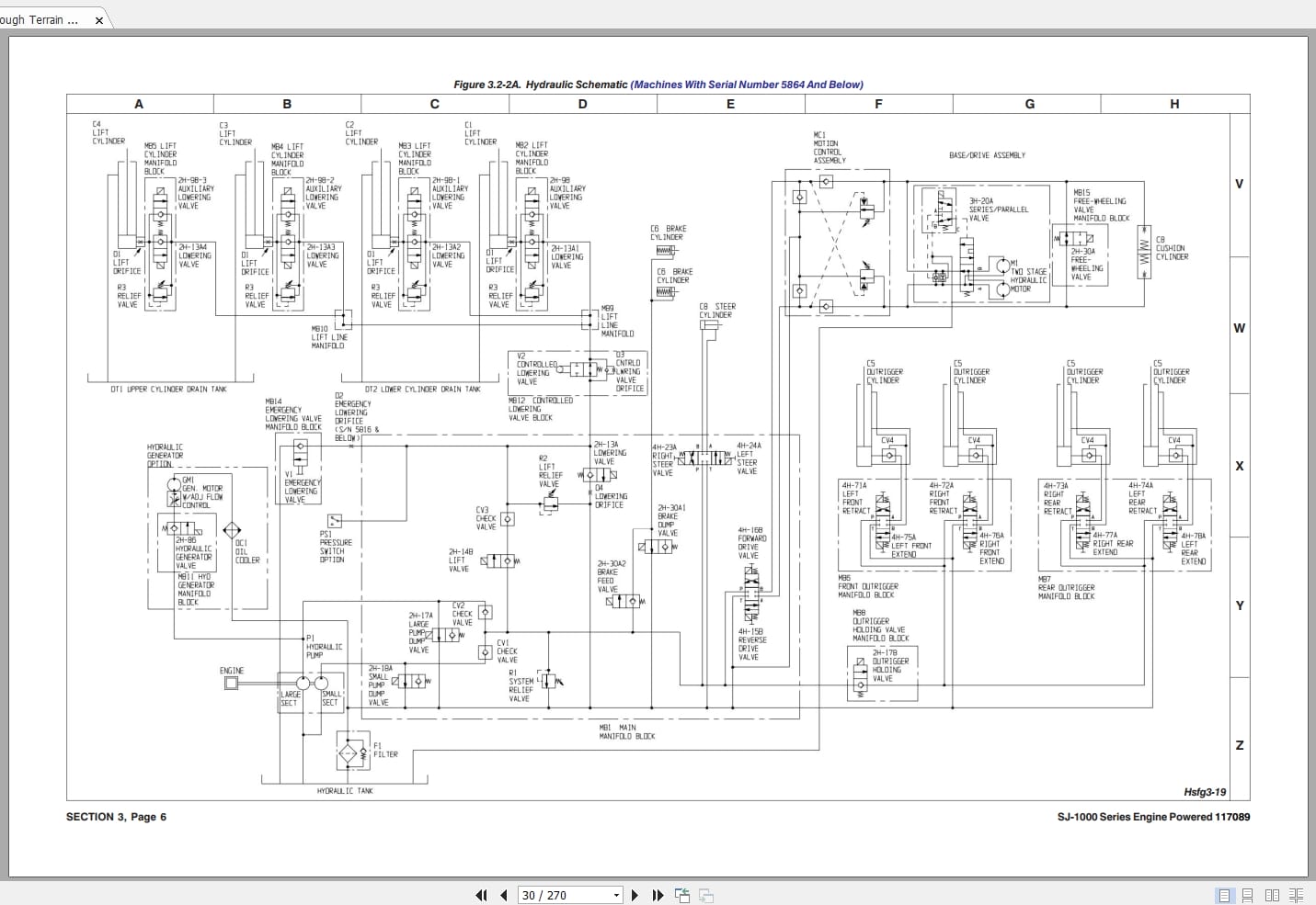
Type of Manual: Maintenance Manual, Parts Manual, Wiring Diagram, Hydraulic Schematic
Model: Skyjack SJ9250RT Rough Terrain Scissors
Serial Number: 51088 & Below
Part Number: 117089AM
Publication Date: 2022
Number of Pages: 270 Pages
15 USD
- Description
Description
Contents:
Section 1 – Introduction
Section 2 – List of Tables
Section 3 – System Component Identification & Schematics
Section 4 – Troubleshooting
Section 5 – Maintenance & Service
Section 6 – Parts Lists













