✓
Expert Support
✓
Full Speed
✓
100% Working
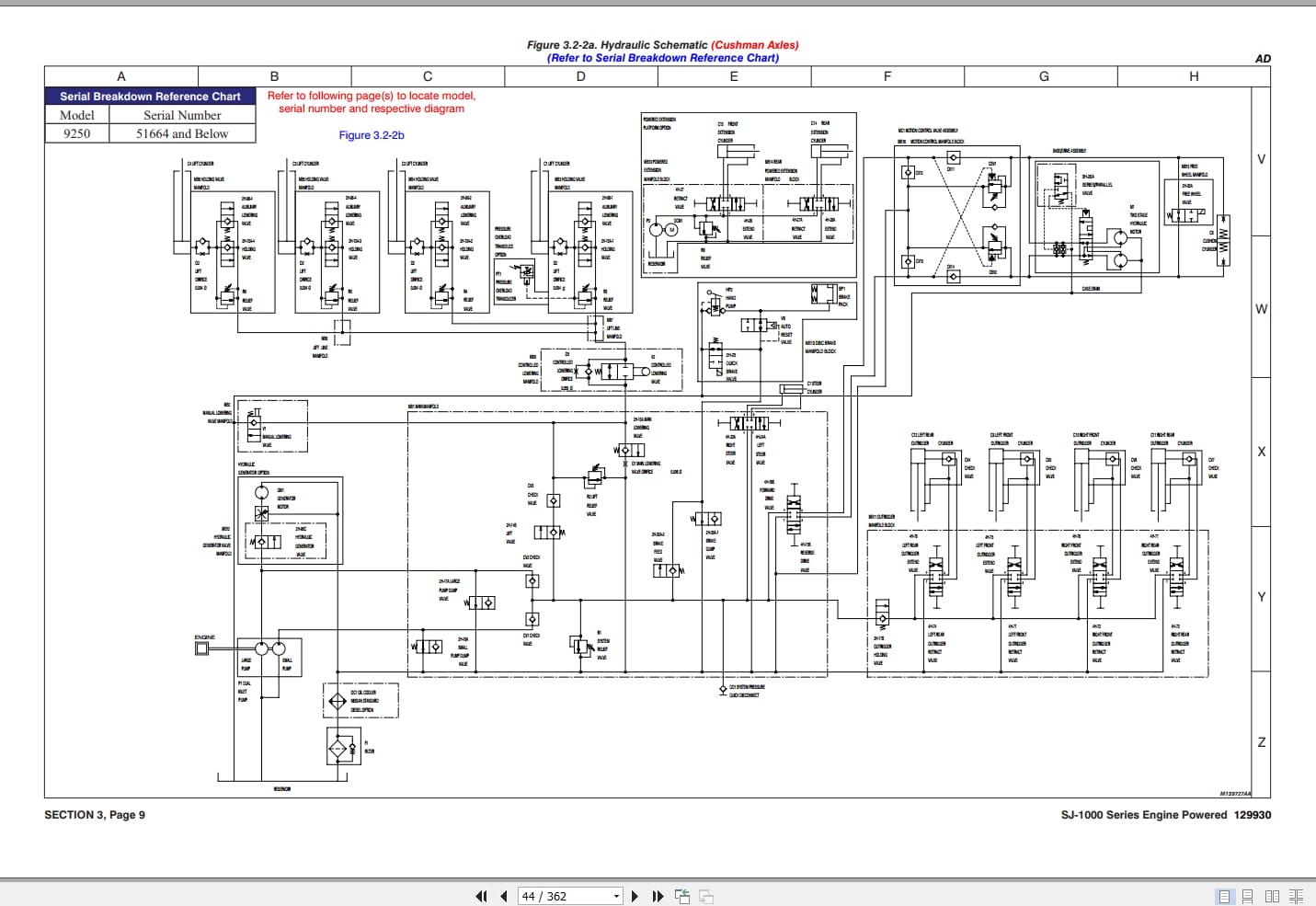
Skyjack Rough Terrain Scissors SJ9250RT Maintenance Parts Manual 129930AG 2022
Size: 23.32 MB
Format: PDF
Language: English
Brand: Skyjack
Type of Machine: Rough Terrain Scissors
Type of Manual: Maintenance Manual, Parts Manual, Electrical Schematic, Hydraulic Schematic
Model: Skyjack SJ9250RT Rough Terrain Scissors
Part Number: 129930AG
Publication Date: 2022
Number of Pages: 362 Pages
15 USD
- Description
Description
Contents:
Section 1 – Introduction
Section 2 – List of Tables
Section 3 – System Component Identification & Schematics
Section 4 – Troubleshooting
Section 5 – Maintenance & Service
Section 6 – Parts Lists
Platform and Related Parts
Operator Control Box Assembly
Scissors and Related Parts
Base and Related Parts
Drivetrain Components
Engines and Related Parts
Optional Equipment
Labels
Tables













