Expert Support
Full Speed
100% Working
Skyjack Telehandler SJ519TH Service Manual 216942AC 2023
20 USD
- Description
Description
Contents:
Section 1 – Scheduled Maintenance
1.1 Read and Heed
1.2 Maintenance and Inspection Schedule
1.3 Hydraulic System & Component Maintenance and Repair
1.4 About this Section
1.5 Scheduled Maintenance Inspections
1.6 Function Tests
Section 2 – Maintenance Tables
2.1 Standard and Optional Equipment
2.2 Specifications and Features
2.3 Tire/Wheel Specifications
2.4 Recommended Fluids/Lubrications
2.5 Pressure Setting
2.6 Standard Hose Numbering System
2.7 Torque Specifications for Fasteners (US)
2.8 Torque Specifications for Fasteners (Metric)
2.9 Torque Specifications for Hydraulic Couplings & Hoses
Section 3 – System Component Identification and Schematics
3.1 Electrical Symbol Chart
3.2 Hydraulic Symbol Chart
3.3 Electrical Schematic Parts List
3.4 Hydraulic Schematic Parts List
3.5 Hydraulic Pump and Return Filter Ports Identification
3.6 Steer Manifold
3.7 Main Manifold
3.8 Pilot Manifold
3.9 Pedal Ports Identification
3.11 Major Components Identification and Location
3.12 Glow Plug Harness
3.13 Road Lights Harness
3.14 Boom Lights Harness
3.15 Beacon Light Harness
3.16 Work Lights Harness
3.17 Console Harness
3.18 Console Harness Wiring
3.19 Engine Harness
3.20 Engine Harness Wiring
3.21 Electrical Schematic
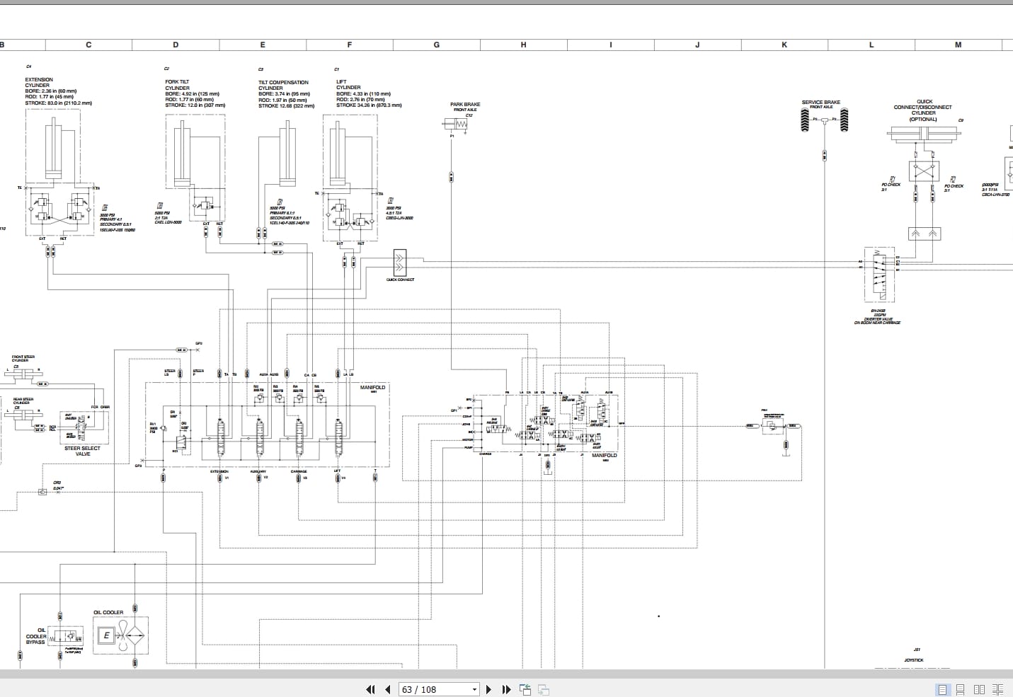
3.22 Hydraulic Schematic
Section 4 – Troubleshooting Information
4.1 Introduction
4.2 Electrical System
4.3 Hydraulic System
Section 5 – Procedures
5.1 General
5.2 10 Hour or Daily Routine Maintenance
5.3 50 Hour or Weekly Routine Maintenance
5.4 250 Hour or Quarterly Routine Maintenance
5.5 1000 Hour or Annual Routine Maintenance
5.6 Non-Routine Maintenance













