Expert Support
Full Speed
100% Working
Skyjack Telescopic Booms SJ40T SJ45T Service Manual 166874AI 2022
20 USD
- Description
Description
Contents:
Section 1 – Scheduled Maintenance
Service and Maintenance
Operator’s Responsibility for Maintenance
Service and Maintenance
Tables
Scheduled Maintenance Inspections and Function Tests
Section 2 – Maintenance Tables and Diagrams
Tables
Diagrams
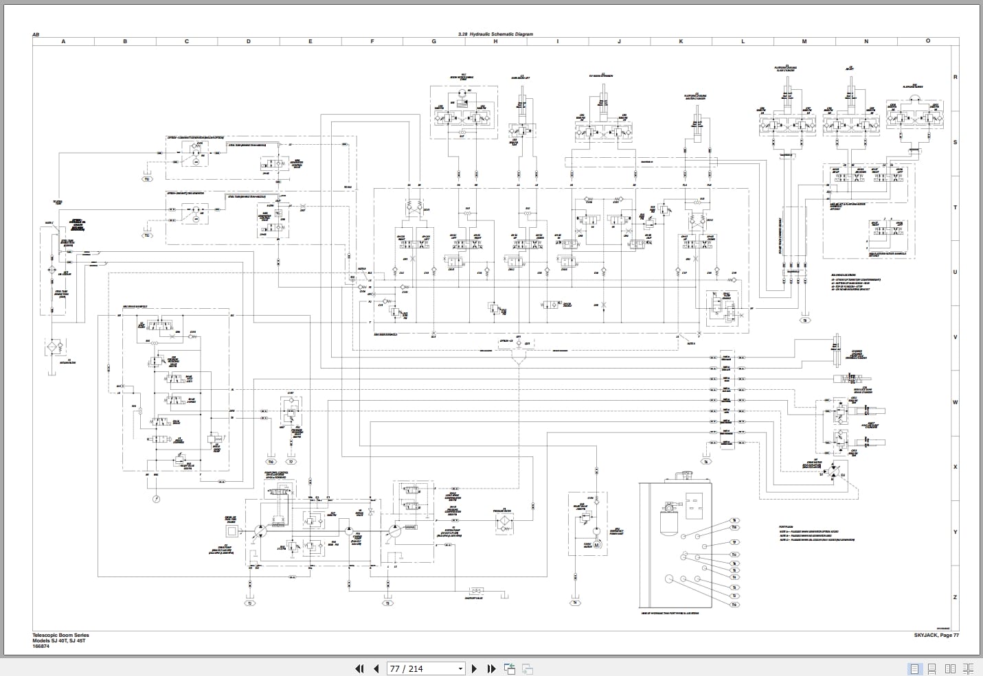
Section 3 – System Component Identification and Schematics
Charts
Parts Lists
Diagrams and Schematics
Section 4 – Troubleshooting Information
4.1 Electrical System
4.2 Hydraulic System
4.3 Load Sensing System – CE
Section 5 – Procedures
Platform
Boom
Turret
Deutz Diesel Engine
GM Dual Fuel Engine
Hydraulic Tank
Manifold and Hydraulic Pumps
Axles
Grease Points
Options













