✓
Expert Support
✓
Full Speed
✓
100% Working
Skyjack Telescopic Booms SJ40T SJ45T Service Manual 194311AL 2023
Size: 37.01 MB
Format: PDF
Language: English
Brand: Skyjack
Type of Machine: Telescopic Booms
Type of Manual: Service Manual, Electrical Schematic, Hydraulic Schematic
Model: Skyjack SJ40T, SJ45T Telescopic Booms
Serial Number: 98001501 to 98001766
Part Number: 194311AL
Publication Date: 2023
Number of Pages: 232 Pages
20 USD
- Description
Description
Contents:
Section 1 – Scheduled Maintenance
Operator’s Responsibility for Maintenance
Service and Maintenance
Tables
Scheduled Maintenance Inspections and Function Tests
Section 2 – Maintenance Tables and Diagrams
Tables
Diagrams
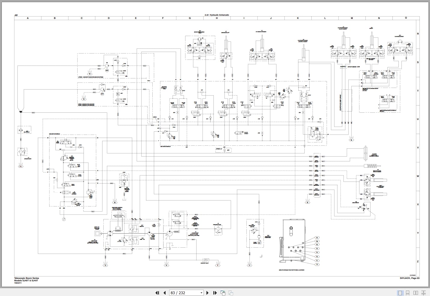
Section 3 – System Component Identification and Schematics
Charts
Parts Lists
Diagrams and Schematics
Section 4 – Troubleshooting Information
4.1 Electrical System
4.2 Hydraulic System
4.3 Load Sensing System – CE
Section 5 – Procedures
Platform
Boom
Turret
Deutz Diesel Engine
GM Dual Fuel Engine
Kubota WG2503 Dual Fuel Engine
Hydraulic Tank
Manifold and Hydraulic Pumps
Axles
Grease Points
Options













