- NEWS UPDATE 11.2025 - [HOT] How To Discount - How To Pay By Visa Through Paypal - [HOT] Remote Service Support Program - How to Payment and Delivery - Exchange Manual & Software -

Skyjack Telescopic Booms SJ61T SJ66T Service Manual 166875AJ 2022

Expert Support

Full Speed

100% Working

Skyjack Telescopic Booms SJ61T SJ66T Service Manual 166875AJ 2022

Size: 32.98 MB
Format: PDF
Language: English
Brand: Skyjack
Type of Machine: Telescopic Booms
Type of Manual: Service Manual, Electrical Schematic, Hydraulic Schematic
Model: Skyjack SJ61T SJ66T Telescopic Booms
Serial Number: 97000918 to 97001135
Part Number: 166875AJ
Publication Date: 2022
Number of Pages: 220 Pages

20 USD

  • Description

Description

Contents:
Section 1 – Scheduled Maintenance
Operator’s Responsibility for Maintenance
Service and Maintenance
Tables
Scheduled Maintenance Inspections and Function Tests
Section 2 – Maintenance Tables and Diagrams
Tables
Diagrams
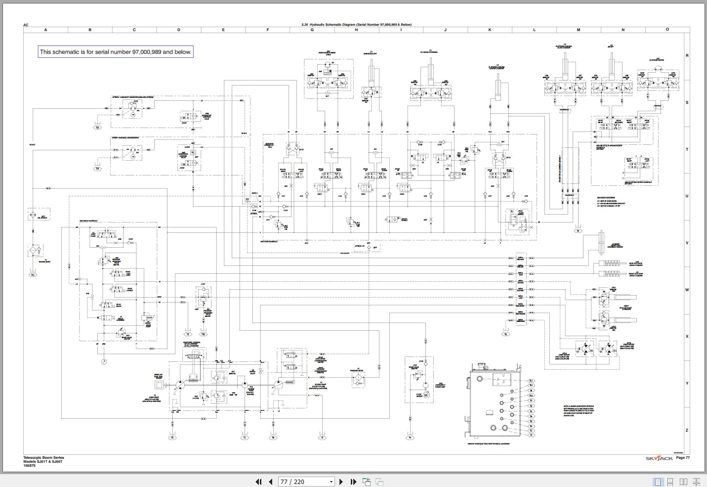
Section 3 – System Component Identification and Schematics
Charts
Parts Lists
Diagrams and Schematics
4.2 Hydraulic System
4.3 Load Sensing System – CE
Section 4 – Troubleshooting Information
4.1 Electrical System
4.2 Hydraulic System
4.3 Load Sensing System – CE
Section 5 – Procedures
5.1-7 Fly Boom Switch Voltage References
Platform
Boom
Turret
Deutz Diesel Engine
GM Dual Fuel Engine
Hydraulic Tank
Axles
Grease Points
Options