Expert Support
Full Speed
100% Working
Skyjack Telescopic Booms SJ82T SJ86T Service Manual 170454AN 2023
20 USD
- Description
Description
Contents:
Section 1 – Scheduled Maintenance
1.1 Read and Heed
1.2 Maintenance and Service
1.3 Scheduled Maintenance
1.4 Owner’s Annual Inspection Record
1.5 Pre-Delivery/Maintenance Inspection Checklist
1.6 Scheduled Maintenance Inspections
1.7 Function Tests
Section 2 – Maintenance Tables and Diagrams
2.1 Standard Hose Numbering System
2.2 MEWP Torque Specifications
2.3 Axle Torque Specifications
2.4 Torque Specifications for Fasteners (US)
2.5 Torque Specifications for Fasteners (Metric)
2.6 Torque Specifications for Hydraulic Couplings & Hoses
2.7 Axles Maintenance Intervals
2.8 Tire Specifications
2.9 Floor Loading Pressure
2.10 Hydraulic Specifications & Gear Oil
2.11 Specifications & Features – Dimensional Data
2.12 Specifications & Features – Performance and Speeds
2.13 Engine Specifications
2.14 Axle Oscillation Diagrams
2.15 Dimension and Reach Diagram – SJ82T
2.16 Dimension and Reach Diagram – SJ86T
Section 3 – System Component Identification and Schematics
3.1 Electrical Symbol Chart
3.2 Hydraulic Symbol Chart
3.3 Wire Number and Color Code
3.4 Wire Numbers and Color Codes – Additional
3.5 Hydraulic Parts List
3.6 Electrical Parts List
3.7 Hourmeter/Counter Harness – CE
3.8 Rotary Manifold Port Identification
3.9 System and Drive Pump Port Identification
3.10 Drive Motors Port Identification
3.11 Jib Valve Port Identification
3.12 No Jib Valve Port Identification
3.13 Brake Manifold Port Identification
3.14 Pressure Reducing Valve Port Identification
3.15 Main Manifold Port Identification
3.16 Main Manifold Electrical Component Identification
3.17 Main Manifold Hydraulic Component Identification
3.18 Main Harness Wiring Diagram
3.19 Boom Lift Valve Harness
3.20 Differential Lock Harness
3.21 Platform Rotate & Jib Harnesses
3.22 Platform to Base Control Cable Harnesses
3.23 Power Control Cable Connections
3.24 Limit Switch Connections
3.25 Load Sensing Cable Connection – CE & AS
3.26 ECU Engine Wiring Diagram – Deutz Diesel Engine
3.27 Glow Plug and EGR Harnesses – Deutz Diesel Engine
3.28 Generator and Oil Cooler Harness Connections
3.29 Generator Wiring
3.30 SGE Wiring Diagrams
3.31 Platform Work Light
3.32 Positive Air Shut-Off Option Harness
3.33 Dual Capacity Sensing Module
3.34 Load Circuit – ANSI/CSA with Deutz TD2.9L
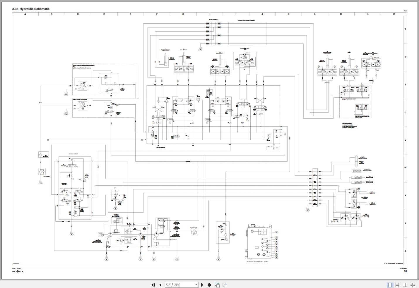
3.35 Hydraulic Schematic
3.36 Platform Controls Wiring – SJ82T ANSI/CSA
3.37 Platform Controls Wiring – SJ86T ANSI/CSA
3.38 Platform Controls Wiring – SJ86T CE – Deutz TCD2.2
3.39 Platform Controls Wiring – SJ86T CE – Deutz TD2.9L
3.40 Platform Controls Wiring – SJ86T AS
3.41 Base Controls Wiring – SJ82T ANSI/CSA – Deutz D2011
3.42 Base Controls Wiring – SJ82T ANSI/CSA – Deutz TD2.9L
3.43 Base Controls Wiring – SJ82T ANSI/CSA – Deutz TD2.9L with Positive Air Shut-Off
3.44 Base Controls Wiring – SJ82T ANSI/CSA – Perkins 2.2TA
3.45 Base Controls Wiring – SJ86T ANSI/CSA – Deutz D2011
3.46 Base Controls Wiring – SJ86T ANSI/CSA – Deutz TD2.9L
3.47 Base Controls Wiring – SJ86T ANSI/CSA – Deutz TD2.9L with Positive Air Shut-Off
3.48 Base Controls Wiring – SJ86T ANSI/CSA – Perkins 2.2TA
3.49 Base Controls Wiring – SJ86T CE – Deutz TCD2.2
3.50 Base Controls Wiring – SJ86T CE – Deutz D2011
3.51 Base Controls Wiring – SJ86T CE – Deutz TD2.9L
3.52 Base Controls Wiring – SJ86T AS – Deutz D2011
3.53 Electrical Schematic – SJ82T & SJ86T ANSI/CSA Deutz D2011(S/N 97101144 & below)
3.54 Electrical Schematic – SJ82T & SJ86T ANSI/CSA Deutz D2011(S/N 97101145 & above)
3.55 Electrical Schematic – SJ82T & SJ86T ANSI/CSA Deutz TD2.9L (S/N 97101144 & below)
3.56 Electrical Schematic – SJ82T & SJ86T ANSI/CSA Deutz TD2.9L (S/N 97101145 & above)
3.57 Electrical Schematic – SJ82T & SJ86T ANSI/CSA Perkins 2.2TA (S/N 97101144 & below)
3.58 Electrical Schematic – SJ82T & SJ86T ANSI/CSA Perkins 2.2TA (S/N 97101145 & above)
3.59 Electrical Schematic – SJ86T CE Deutz TCD2.2
3.60 Electrical Schematic – SJ86T CE Deutz D2011 (S/N 97101144 & below)
3.61 Electrical Schematic – SJ86T CE Deutz D2011 (S/N 97101145 & above)
3.62 Electrical Schematic – SJ86T CE Deutz TD2.9L (S/N 97101144 & below)
3.63 Electrical Schematic – SJ86T CE Deutz TD2.9L (S/N 97101145 & above)
3.64 Electrical Schematic – SJ86T AS Deutz D2011 (S/N 97101144 & below)
3.65 Electrical Schematic – SJ86T AS Deutz D2011 (S/N: 97101145& above)
3.66 Engine Electrical Schematic – Deutz TCD2.2
3.67 Engine Interface Harness Schematic – Deutz TCD2.2
3.68 Engine Electrical Schematic – Deutz TD2.9L (S/N 97101144 & below)
3.69 Engine Electrical Schematic – Deutz TD2.9L (S/N 97101145 & above)
3.70 Engine Electrical Schematic CE – Deutz TD2.9L (S/N 97101144 & below)
3.71 Engine Electrical Schematic CE – Deutz TD2.9L (S/N 97101145 & above)
3.72 Engine Interface Harness Schematic – Deutz TD2.9L
3.73 Engine Interface Harness – Perkins 2.2TA (S/N 97101144 & below)
3.74 Engine Interface Harness – Perkins 2.2TA (S/N 97101145 & above)
3.75 Engine OEM Harness – Perkins 2.2TA (S/N 97101144 & below)
3.76 Engine OEM Harness – Perkins 2.2TA (S/N 97101145 & above)
3.77 Engine Component Harness – Perkins 2.2TA (S/N 97101144 & below)
3.78 Engine Component Harness – Perkins 2.2TA (S/N 97101145 & above)
Section 4 – Troubleshooting Information
4.1 Introduction
4.2 Electrical System
4.3 Hydraulic System
4.4 Load Sensing System – CE
Section 5 – Procedures
5.1 General
5.2 Platform
5.3 Boom
5.4 Turret
5.5 Deutz Diesel Engines
5.6 Hydraulic Tank
5.7 Manifolds and Hydraulic Pumps
5.8 Axles
5.9 Grease Points
5.10 Load Sensing System













