Expert Support
Full Speed
100% Working
Kubota Excavator KX080-4 Alpha 2 Parts Catalog EN DE
30 USD
- Description
Description
Contents:
Kx080-4alpha2
4alpha2 Frequently Used Items Frequently Used Items Häufig Verwendete Elemente
4alpha2 Frequently Used Items Frequently Used Items Häufig Verwendete Elemente
Kx080-4alpha2 Motor Engine Kurbelghaeuse Crankcase
Kx080-4alpha2 Motor Engine Oelwanne Oil Pan
Kx080-4alpha2 Motor Engine Oelmessstab Dipstick
Kx080-4alpha2 Motor Engine Zylinderkopf Cylinder Head
Kx080-4alpha2 Motor Engine Einlassventil Und Auslassventil Inlet Valve And Exhaust
Kx080-4alpha2 Motor Engine Kippenarmwelle Rocker Arm Shaft
Kx080-4alpha2 Motor Engine Deckel Oben Head Cover
Kx080-4alpha2 Motor Engine Vorderdeckel Front Cover
Kx080-4alpha2 Motor Engine Abstuetzung Rechts Vorne Piston And Crankshaft
Kx080-4alpha2 Motor Engine Nockenwelle Und Freilaufgetriebewelle Camshaft And Idle
Kx080-4alpha2 Motor Engine Schwungrad Flywheel
Kx080-4alpha2 Motor Engine Versorgungsmaterial-Pumpe Supply Pump
Kx080-4alpha2 Motor Engine Duesenhalter Gluehkerze Injector And Glow Plug
Kx080-4alpha2 Motor Engine Einspritzung-Rohr Injection Pipe
Kx080-4alpha2 Motor Engine Allgemeine Schiene Common Rail
Kx080-4alpha2 Motor Engine Wechselstrommaschine Alternator
Kx080-4alpha2 Motor Engine Lichtmaschine [Einzel-Teil] Alternator [Component
Kx080-4alpha2 Motor Engine Anlasser Starter
Kx080-4alpha2 Motor Engine Anlasser [Einzel-Teil] Starter [Component Parts]
Kx080-4alpha2 Motor Engine Olschalter Und Thermometer Oil Switch Thermometer
Kx080-4alpha2 Motor Engine Wasserflansch Und Thermostat Water Flange And
Kx080-4alpha2 Motor Engine Wasserpumpe Water Pump
Motor Engine Wasserrohr (Carrosserie) [Ausser Zweiteiligem Auslegertyp] Water Pipe (Body)
4alpha2 Motor Engine Wasserrohr (Carrosserie) [Zweiteiligem Auslegertyp] Water Pipe (Body)
Kx080-4alpha2 Motor Engine Kuehler Radiator
Kx080-4alpha2 Motor Engine Ausgleichbehaelter Reserve Tank
Kx080-4alpha2 Motor Engine Ventilator Cooler Fan
Kx080-4alpha2 Motor Engine Einlasskruemmer Inlet Manifold
Kx080-4alpha2 Motor Engine Luftfilter-Flansch Und Drossel-Ventil Air Cleaner Flange And
Kx080-4alpha2 Motor Engine Ansaugenrohr (Luftfilter) Inlet Pipe (Air Cleaner)
Kx080-4alpha2 Motor Engine Auspuffrummer Exhaust Manifold
Kx080-4alpha2 Motor Engine Egr Ventil Egr Valve
Kx080-4alpha2 Motor Engine Egr Kuehlsystem Egr Cooler
Kx080-4alpha2 Motor Engine Turbineladung Turbo Charger
Kx080-4alpha2 Motor Engine Luftfilter Air Cleaner
Kx080-4alpha2 Motor Engine Luftfilterrohr Air Cleaner Pipe
Kx080-4alpha2 Motor Engine Dieselpartikelfilter Auspuffdämpfer Diesel Particulate
Motor Engine Dieselpartikelfilter Auspuffdämpfer [Einzel-Teil] Diesel Particulate Filter
Kx080-4alpha2 Motor Engine Dieselpartikelfilter Auspuffdämpfer Diesel Particulate Filter
Kx080-4alpha2 Motor Engine Abblasssenser, Dieselpartikelfilter Diesel Particulate Filter
Motor Engine Differenzdruckleitung Des Dieselpartikelfilters Diesel Particulate Filter
Kx080-4alpha2 Motor Engine Ablaufrohr Des Dieselpartikelfilters Diesel Particulate Filter
4alpha2 Motor Engine Schalldämpferrohr Des Dieselpartikelfilters Diesel Particulate
4alpha2 Motor Engine Schalldämpferabdeckung Des Dieselpartikelfilters Diesel Particulate
Kx080-4alpha2 Motor Engine Ölabscheider Oil Separator
Kx080-4alpha2 Motor Engine Ölabscheider [Einzel-Teil] Oil Separator [Component
Kx080-4alpha2 Motor Engine Ölabscheiderrohr Oil Separator Pipe
Kx080-4alpha2 Motor Engine Oelpomr (Turbineladung) Oil Pipe (Turbo Charger)
Kx080-4alpha2 Motor Engine Oelkuehler (Motor) Oil Cooler (Engine)
Kx080-4alpha2 Motor Engine Motor Traeger Engine Bracket
Kx080-4alpha2 Motor Engine Juego De Juntas Superior Upper Gasket Kit
Kx080-4alpha2 Motor Engine Niederdichtungentasche Lower Gasket Kit
Kx080-4alpha2 Brennstoff System Fuel System Kraftstofftank (Panzer) Fuel Tank (
Kx080-4alpha2 Brennstoff System Fuel System Kraftstofftank (Senser) Fuel Tank (
Kx080-4alpha2 Brennstoff System Fuel System Kraftstoffversorgungpumpe Fuel Supply
Kx080-4alpha2 Brennstoff System Fuel System Kraftstoffrohr (Befreitung) Fuel Piping
Kx080-4alpha2 Brennstoff System Fuel System Kraftstoffrohr (Rueckstorm) Fuel Piping
Kx080-4alpha2 Brennstoff System Fuel System Kraftstoffpumpe Fuel Pump
Kx080-4alpha2 Brennstoff System Fuel System Kraftstoff-Kuehlvorrichtung Fuel
Kx080-4alpha2 Brennstoff System Fuel System Kraftstoffilter Fuel Filter
Kx080-4alpha2 Brennstoff System Fuel System Kraftstofffilter [Einzel-Teil] Fuel Filter [
Kx080-4alpha2 Brennstoff System Fuel System Wasserabscheider Separator
Kx080-4alpha2 Brennstoff System Fuel System Wasserabscheider [Einzel-Teil] Separator [
Kx080-4alpha2 Elektrisch System Electrical System Batterie Battery
Kx080-4alpha2 Elektrisch System Electrical System Batterie Kabel Battery Cable
Kx080-4alpha2 Elektrisch System Electrical System Relais Und Hupe Relay And
Kx080-4alpha2 Elektrisch System Electrical System Relais Relay
Kx080-4alpha2 Elektrisch System Electrical System Schalter, Zaehler Switch And
Kx080-4alpha2 Elektrisch System Electrical System Schalter Switch
Kx080-4alpha2 Elektrisch System Electrical System Lampe Lamp
System Electrical System Kabelgeschirr (W H) [Ausser Zweiteiligem Auslegertyp] Wire
Elektrisch System Electrical System Kabelgeschirr (W H) [Zweiteiligem Auslegertyp] Wire
Kx080-4alpha2 Elektrisch System Electrical System Kabelgeschirr (Klemme) Wire Harness
Kx080-4alpha2 Elektrisch System Electrical System Kabelgeschirr (Sicherung) Wire
Kx080-4alpha2 Elektrisch System Electrical System Halterung Motorkabelbaum Engine
Kx080-4alpha2 Pumpe Motor System Pump Motor System Pumpengehaeuse Pump
Kx080-4alpha2 Pumpe Motor System Pump Motor System Kolbenpumpe Piston Pump
Pumpe Motor System Pump Motor System Kolbenpumpe (Gehaeuse) [Einzel-Teil] Piston Pump
Pumpe Motor System Pump Motor System Kolbenpumpe (Ventil) [Einzel-Teil] Piston Pump
Pumpe Motor System Pump Motor System Kolbenpumpe (Stopfen) [Einzel-Teil] Piston Pump
Kx080-4alpha2 Pumpe Motor System Pump Motor System Antriebsmotor Drive Moter
Pumpe Motor System Pump Motor System Antriebsmotor (Gehaeuse) [Einzel-Teil] Drive Moter
Pumpe Motor System Pump Motor System Antriebsmotor (Kolben) [Einzel-Teil] Drive Motor
Pumpe Motor System Pump Motor System Antriebsmotor (Ventil) [Einzel-Teil] Drive Motor
Kx080-4alpha2 Pumpe Motor System Pump Motor System Schwingungmotor Swivel
Pumpe Motor System Pump Motor System Schwingungmotor (Ventil) [Einzel-Teil] Swivel Motor
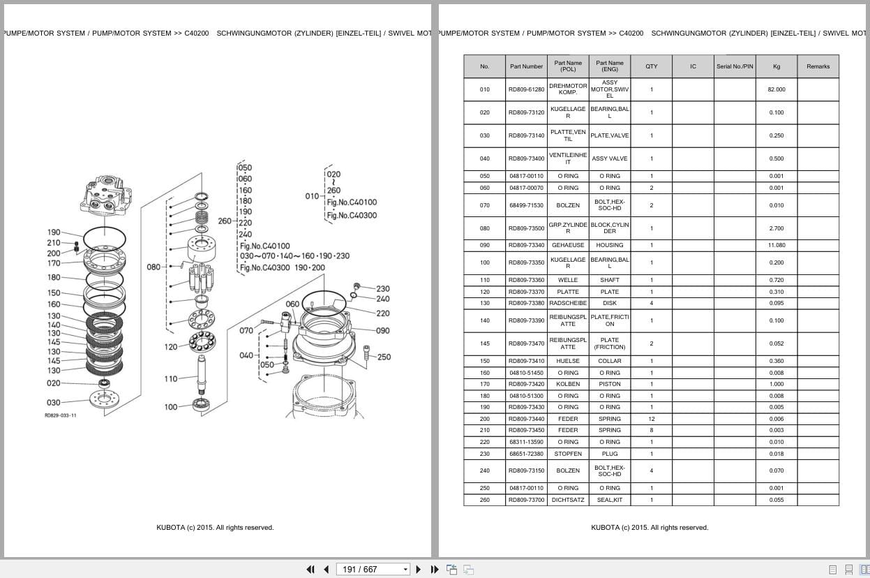
Pumpe Motor System Pump Motor System Schwingungmotor (Zylinder) [Einzel-Teil] Swivel Motor
Pumpe Motor System Pump Motor System Schwingungmotor (Gehaeuse) [Einzel-Teil] Swivel
Kx080-4alpha2 Pumpe Motor System Pump Motor System Drehgelenkstueck Rotary
4alpha2 Pumpe Motor System Pump Motor System Drehgelenkstueck [Einzel-Teil] Rotary Joint
Kx080-4alpha2 Pumpe Motor System Pump Motor System Ölbehälter (Tank) Oil Tank (
Kx080-4alpha2 Pumpe Motor System Pump Motor System Ölbehälter (Filter) Oil Tank (
Kx080-4alpha2 Pumpe Motor System Pump Motor System Ölbehälter (Platte) Oil Tank
Kx080-4alpha2 Pumpe Motor System Pump Motor System Oelfilter Oil Filter
Kx080-4alpha2 Pumpe Motor System Pump Motor System Oelkuehler (Koerper) Oil Cooler
Control Valve Regelungsventil (Ventil) [Ausser Zweiteiligem Auslegertyp] Control
Regelungsventil Control Valve Regelungsventil (Ventil) [Zweiteiligem Auslegertyp] Control
Control Valve Regelungsventil (Ausfluss) [Ausser Zweiteiligem Auslegertyp] Control
Regelungsventil Control Valve Regelungsventil (Ausfluss) [Zweiteiligem Auslegertyp] Control
Kx080-4alpha2 Regelungsventil Control Valve Regelungsventil (Erdschieber) Control
Kx080-4alpha2 Regelungsventil Control Valve Regelungsventil (Fahren Ls) Control Valve
Kx080-4alpha2 Regelungsventil Control Valve Regelungsventil (Entladen) Control Valve
Valve Regelungsventil (Reiseuna Bhangigkeit) [Ausser Zweiteiligem Auslegertyp] Control
Control Valve Regelungsventil (Reiseuna Bhangigkeit) [Zweiteiligem Auslegertyp] Control
Kx080-4alpha2 Regelungsventil Control Valve Regelungsventil (Fahren Rs) Control Valve
Kx080-4alpha2 Regelungsventil Control Valve Regelungsventil (Planierschild) Control
Kx080-4alpha2 Regelungsventil Control Valve Regelungsventil (S P) Control Valve
Kx080-4alpha2 Regelungsventil Control Valve Regelungsventil (Arm) Control Valve
Kx080-4alpha2 Regelungsventil Control Valve Regelungsventil (Kuebel) Control Valve
Control Valve Regelungsventil (Doppelstuckausleger) [Zweiteiligem Auslegertyp] Control
Kx080-4alpha2 Regelungsventil Control Valve Regelungsventil (Ausleger) Control Valve
Kx080-4alpha2 Regelungsventil Control Valve Regelungsventil (Drehen) Control Valve
Kx080-4alpha2 Regelungsventil Control Valve Regelungsventil (Schwung) Control Valve
Kx080-4alpha2 Regelungsventil Control Valve Regelungsventil (Ausfluss) Control Valve
Valve Regelungsventil (Ventil) [Einzel-Teil] [Ausser Zweiteiligem Auslegertyp] Control Valve
Control Valve Regelungsventil (Ventil) [Einzel-Teil] [Zweiteiligem Auslegertyp] Control Valve
Valve Regelungsventil (Relief) [Einzel-Teil] [Ausser Zweiteiligem Auslegertyp] Control Valve
Control Valve Regelungsventil (Relief) [Einzel-Teil] [Zweiteiligem Auslegertyp] Control Valve
Kx080-4alpha2 Regelungsventil Control Valve Spulensektion (Ausfluss) Spool Section
Kx080-4alpha2 Regelungsventil Control Valve Spulensektion (Planierschild) Spool Section
Kx080-4alpha2 Regelungsventil Control Valve Spulensektion (Fahren Ls) Spool Section
Kx080-4alpha2 Regelungsventil Control Valve Spulensektion (Entladen) Spool Section
Kx080-4alpha2 Regelungsventil Control Valve Spulensektion (Fahren) Spool Section (Travel
Kx080-4alpha2 Regelungsventil Control Valve Spulensektion (Fahren Bypass) Spool Section
Kx080-4alpha2 Regelungsventil Control Valve Spulensektion (Fahren Rs) Spool Section
Kx080-4alpha2 Regelungsventil Control Valve Spulensektion (S P) Spool Section (
Kx080-4alpha2 Regelungsventil Control Valve Spulensektion (Arm) Spool Section
Kx080-4alpha2 Regelungsventil Control Valve Spulensektion (Kuebel) Spool Section
Control Valve Spulensektion (Doppelstuckausleger) [Zweiteiligem Auslegertyp] Spool
Kx080-4alpha2 Regelungsventil Control Valve Spulensektion (Ausleger) Spool Section
Kx080-4alpha2 Regelungsventil Control Valve Spulensektion (Drehen) Spool Section
Kx080-4alpha2 Regelungsventil Control Valve Spulensektion (Schwung) Spool Section
Kx080-4alpha2 Regelungsventil Control Valve Entladerventil Unload Valve
Kx080-4alpha2 Regelungsventil Control Valve Entladerventil [Enzel-Teil] Unload Valve [
Kx080-4alpha2 Regelungsventil Control Valve wegventilway Valve
Kx080-4alpha2 Regelungsventil Control Valve wegventil [Einzel-Teil]Way Valve [Component
Kx080-4alpha2 Regelungsventil Control Valve Schwingpendelverkehrdrehen Swivel
Regelungsventil Control Valve Schwingpendelverkehrdrehen [Enzel-Teil] Swivel Shuttle
Regelungsventil Control Valve Stossdampferventil [Ausser Zweiteiligem Auslegertyp] Shock Absorber
Regelungsventil Control Valve Stossdampferventil [Zweiteiligem Auslegertyp] Shock Absorber
4alpha2 Regelungsventil Control Valve Stossdampferventil [Enzel-Teil] Shock Absorber
Kx080-4alpha2 Regelungsventil Control Valve Vordusenventil (Planierschild) Pilot Valve
Regelungsventil Control Valve Vordusenventil(Planierschild) [Enzel-Teil] Pilot Valve
Kx080-4alpha2 Regelungsventil Control Valve Vordusenventil(Schwung) Pilot Valve
4alpha2 Regelungsventil Control Valve Vordusenventil (Schwung) (Enzel-Teil) Pilot Valve (
Control Valve Vordusenventil (Fahren) [Ausser Zweiteiligem Auslegertyp] Pilot Valve
Regelungsventil Control Valve Vordusenventil (Fahren) [Zweiteiligem Auslegertyp] Pilot Valve
4alpha2 Regelungsventil Control Valve Vordusenventil (Fahren) [Enzel-Teil] Pilot Valve (
Regelungsventil Control Valve Vordusenventil (Ausleger) [Zweiteiligem Auslegertyp] Pilot
Control Valve Vordusenventil (Ausleger) [Enzel-Teil] [Zweiteiligem Auslegertyp] Pilot Valve
Kx080-4alpha2 Regelungsventil Control Valve Magnetischventil Magnetic Valve
Kx080-4alpha2 Regelungsventil Control Valve Magnetischventil [Enzel-Teil] Magnetic Valve [
Regelungsventil Control Valve Enthuelsungventi [Ausser Zweiteiligem Auslegertyp] Holding
Regelungsventil Control Valve Enthuelsungventi [Zweiteiligem Auslegertyp] Holding
4alpha2 Regelungsventil Control Valve Enthuelsungventil [Enzel-Teil] Holding Valve
Regelungsventil Control Valve Enthuelsungventil [Zweiteiligem Auslegertyp] Holding
Control Valve Enthuelsungventil [Enzel-Teil][Zweiteiligem Auslegertyp] Holding Valve
Kx080-4alpha2 Regelungsventil Control Valve Relaisezwischenstueck Relay Adapter
Kx080-4alpha2 Regelungsventil Control Valve Versammlungblock Assembly Block
Kx080-4alpha2 Kontrollrahmen Control Lever Betriebshalterung (Links) Operation
Kx080-4alpha2 Kontrollrahmen Control Lever Pilotventil (Links) Pilot Valve (Lh)
4alpha2 Kontrollrahmen Control Lever Pilotventil (Links) [Einzel-Teil] Pilot Valve (Lh) [
Kx080-4alpha2 Kontrollrahmen Control Lever Betriebshalterung (Recht) Operation
Kx080-4alpha2 Kontrollrahmen Control Lever Vordusenventil (Recht) Pilot Valve
4alpha2 Kontrollrahmen Control Lever Vordusenventil (Recht) [Einzel-Teil] Pilot Valve (Rh)
Kx080-4alpha2 Kontrollrahmen Control Lever Kontrollrahmen (Fahren) Control Lever
Kx080-4alpha2 Kontrollrahmen Control Lever Auslegerschwungpedal Boom Swing
Kontrollrahmen Control Lever Auslegerkontrollventil [Zweiteiligem Auslegertyp] Boom
4alpha2 Kontrollrahmen Control Lever Kontrollrahmen (Hebel Von Schloss) Control Lever
Kx080-4alpha2 Kontrollrahmen Control Lever Kontrollrahmen (Erdschieber) Control
Kx080-4alpha2 Oelleitungen Oil Piping Oel Leitung (Ansaugen) Oil Piping (Suction)
Kx080-4alpha2 Oelleitungen Oil Piping Oel Leitung (Befreitung) Oil Piping (Delivery
Kx080-4alpha2 Oelleitungen Oil Piping Oel Leitung (Rueckstorm) Oil Piping (Return)
Kx080-4alpha2 Oelleitungen Oil Piping Oel Leitung (Oelkuehler) Oil Piping (Oil Cooler)
Kx080-4alpha2 Oelleitungen Oil Piping Oel Leitung (Kontroll Ls) Oil Piping (Control
Kx080-4alpha2 Oelleitungen Oil Piping Oel Leitung (Kontroll Rs) Oil Piping (Control
Oelleitungen Oil Piping Oel Leitung (Pilot) [Ausser Zweiteiligem Auslegertyp] Oil Piping (Pilot)
4alpha2 Oelleitungen Oil Piping Oel Leitung (Pilot) [Zweiteiligem Auslegertyp] Oil Piping (Pilot)
Kx080-4alpha2 Oelleitungen Oil Piping Oel Leitung (Fahren Ls) Oil Piping (Travel
Kx080-4alpha2 Oelleitungen Oil Piping Oel Leitung (Fahren Rs) Oil Piping (Travel
Kx080-4alpha2 Oelleitungen Oil Piping Oel Leitung (Drehen) Oil Piping (Swivel)
Oil Piping Oel Leitung (Pilot Durchlass) [Ausser Zweiteiligem Auslegertyp] Oil Piping (
Oelleitungen Oil Piping Oel Leitung (Pilot Durchlass) [Zweiteiligem Auslegertyp] Oil Piping (
Kx080-4alpha2 Oelleitungen Oil Piping Oel Leitung (Schwung) Oil Piping (Swing)
Kx080-4alpha2 Oelleitungen Oil Piping Oel Leitung (Ausleger) Oil Piping (Boom)
Oelleitungen Oil Piping Oel Leitung (Ausleger) [Zweiteiligem Auslegertyp] Oil Piping (Boom
Oelleitungen Oil Piping Oel Leitung (Ausleger 4) [Zweiteiligem Auslegertyp] Oil Piping (Boom
Kx080-4alpha2 Oelleitungen Oil Piping Oel Leitung (Arm) Oil Piping (Arm)
Oelleitungen Oil Piping Oel Leitung (Arm) [Ausser Zweiteiligem Auslegertyp] Oil Piping (Arm
4alpha2 Oelleitungen Oil Piping Oel Leitung (Arm) [Zweiteiligem Auslegertyp] Oil Piping (Arm
Kx080-4alpha2 Oelleitungen Oil Piping Oel Leitung (Kuebel) Oil Piping (Bucket)
Oelleitungen Oil Piping Oel Leitung (Kuebel) [Zweiteiligem Auslegertyp] Oil Piping (Bucket
Oelleitungen Oil Piping Oel Leitung (Kuebel) [Ausser Zweiteiligem Auslegertyp] Oil Piping (Bucket
Kx080-4alpha2 Oelleitungen Oil Piping Oel Leitung (Erdschieber) Oil Piping (Blade
Kx080-4alpha2 Oelleitungen Oil Piping Oel Leitung (Planierschild) Oil Piping (Blade
Kx080-4alpha2 Oelleitungen Oil Piping Oel Leitung (Klammer) Oil Piping (Clamp
Oelleitungen Oil Piping Oel Leitung (Fuhren) [Ausser Zweiteiligem Auslegertyp] Oil Piping (Guide)
Oelleitungen Oil Piping Oel Leitung (Fuhren) [Zweiteiligem Auslegertyp] Oil Piping (Guide)
Kx080-4alpha2 Oelleitungen Oil Piping Oel Leitung (S P) Oil Piping (S P)
Oelleitungen Oil Piping Oel Leitung (S P) [Ausser Zweiteiligem Auslegertyp] Oil Piping (S P)
4alpha2 Oelleitungen Oil Piping Oel Leitung (S P) [Zweiteiligem Auslegertyp] Oil Piping (S P)
Oelleitungen Oil Piping Oel Letitung (S P) [Ausser Zweiteiligem Auslegertyp] Oil Piping (S P
4alpha2 Oelleitungen Oil Piping Oel Letitung (S P) [Zweiteiligem Auslegertyp] Oil Piping (S P)
Kx080-4alpha2 Oelleitungen Oil Piping Oel Letitung (S P 4) Oil Piping (S P 4)
Zylinder Cylinder Auslegerzylinder [Ausser Zweiteiligem Auslegertyp] Boom Cylinder
4alpha2 Zylinder Cylinder Auslegerzylinder [Zweiteiligem Auslegertyp] Boom Cylinder [
Kx080-4alpha2 Zylinder Cylinder Auslegerzylinder [Einzelteile] Boom Cylinder [Component
Zylinder Cylinder Ausleger Zylinder (Ls) [Zweiteiligem Auslegertyp] Boom Cylinder (
Cylinder Ausleger Zylinder (Ls) [Einzel-Teil] [Zweiteiligem Auslegertyp] Boom Cylinder (Lh)
Zylinder Cylinder Ausleger Zylinder (Rs) [Zweiteiligem Auslegertyp] Boom Cylinder (
Cylinder Ausleger Zylinder (Rs) [Einzel-Teil] [Zweiteiligem Auslegertyp] Boom Cylinder (Rh)
4alpha2 Zylinder Cylinder Armzylinder [Ausser Zweiteiligem Auslegertyp] Arm Cylinder [Except
Kx080-4alpha2 Zylinder Cylinder Armzylinder [Zweiteiligem Auslegertyp] Arm Cylinder [Two-
Kx080-4alpha2 Zylinder Cylinder Armzylinder [Einzelteile] Arm Cylinder [Component
Kx080-4alpha2 Zylinder Cylinder Kuebelzylinder Bucket Cylinder
Kx080-4alpha2 Zylinder Cylinder Loeffelzylinder [Einzel-Teil] Bucket Cylinder [Component
Kx080-4alpha2 Zylinder Cylinder Erdschieberzylinder Blade Cylinder
Kx080-4alpha2 Zylinder Cylinder Planierschildzylinder [Einzel-Teil] Blade Cylinder [
Kx080-4alpha2 Zylinder Cylinder Schwenkzylinder Swing Cylinder
Kx080-4alpha2 Zylinder Cylinder Schwenkzylinder [Einzel-Teil] Swing Cylinder [Component
Kx080-4alpha2 Anhaften Von Stirn Front Attachments Lagerung Ausleger Swing
Anhaften Von Stirn Front Attachments Ausleger [Ausser Zweiteiligem Auslegertyp] Boom
4alpha2 Anhaften Von Stirn Front Attachments Ausleger [Zweiteiligem Auslegertyp] Boom
Kx080-4alpha2 Anhaften Von Stirn Front Attachments Abdeckung (Ausleger) Cylinder
Kx080-4alpha2 Anhaften Von Stirn Front Attachments Arm Arm
Kx080-4alpha2 Anhaften Von Stirn Front Attachments Kuebelverbindungestueck Bucket
Kx080-4alpha2 Anhaften Von Stirn Front Attachments Erdschieber Blade
Kx080-4alpha2 Spurrahmen Track Frame Spurrahmen Track Frame
Kx080-4alpha2 Spurrahmen Track Frame Spannrad [Gummilaufkettentyp] Idler [Rubber
Kx080-4alpha2 Spurrahmen Track Frame Spannrad [Bugeln Sie Kriechertyp] Idler [Iron
4alpha2 Spurrahmen Track Frame Spannradzylinder [Gummilaufkettentyp] Idler Cylinder [
4alpha2 Spurrahmen Track Frame Spannradzylinder [Bugeln Sie Kriechertyp] Idler Cylinder
Kx080-4alpha2 Spurrahmen Track Frame Laufrollen Track Roller
Kx080-4alpha2 Spurrahmen Track Frame Carrierrolle Carrier Roller
Kx080-4alpha2 Spurrahmen Track Frame Laufketten [Gummilaufkettentyp] Crawler [Rubber
Kx080-4alpha2 Spurrahmen Track Frame Laufketten [Repassez Le Reptile] Crawler [Iron
Rahmen Von Drehen Swivel Frame Rahmen Von Drehen [Ausser Zweiteiligem Auslegertyp] Swivel
Rahmen Von Drehen Swivel Frame Rahmen Von Drehen [Zweiteiligem Auslegertyp] Swivel
Kx080-4alpha2 Rahmen Von Drehen Swivel Frame Montieren Des Rahmen Von Drehen Swivel
Kx080-4alpha2 Rahmen Von Drehen Swivel Frame Bogenrahmen Arch Frame
Kx080-4alpha2 Rahmen Von Drehen Swivel Frame Berg Bogenrahmen Arch Mount
Kx080-4alpha2 Rahmen Von Drehen Swivel Frame Lager, Drehen Swivel Bearing
Kx080-4alpha2 Rahmen Von Drehen Swivel Frame Sitz Traeger Seat Support
4alpha2 Rahmen Von Drehen Swivel Frame Tritt [Ausser Zweiteiligem Auslegertyp] Step [Except
Kx080-4alpha2 Rahmen Von Drehen Swivel Frame Tritt [Zweiteiligem Auslegertyp] Step [Two-
Kx080-4alpha2 Aubere Bauteile Polsterung External Upholstery Deckel (Ls) Cover
Kx080-4alpha2 Aubere Bauteile Polsterung External Upholstery Deckel (Rs) Cover
Kx080-4alpha2 Aubere Bauteile Polsterung External Upholstery Deckel (Tank) Cover
Kx080-4alpha2 Aubere Bauteile Polsterung External Upholstery Deckel (Vorder) Cover
Kx080-4alpha2 Aubere Bauteile Polsterung External Upholstery Deckel (Zentral) Cover
Kx080-4alpha2 Aubere Bauteile Polsterung External Upholstery Deckel (Bogenrahmen) Cover
Kx080-4alpha2 Aubere Bauteile Polsterung External Upholstery Deckel (Kanal) Cover
Kx080-4alpha2 Aubere Bauteile Polsterung External Upholstery Halterungsabdeckung
Kx080-4alpha2 Aubere Bauteile Polsterung External Upholstery Halterungsabdeckung
Kx080-4alpha2 Aubere Bauteile Polsterung External Upholstery Motorhaube (Ls) Bonnet
Kx080-4alpha2 Aubere Bauteile Polsterung External Upholstery Motorhaube (Rs) Bonnet
Kx080-4alpha2 Aubere Bauteile Polsterung External Upholstery Motorhaube (Hinten)
Kx080-4alpha2 Aubere Bauteile Polsterung External Upholstery Motorhaube (Hinten)
Kx080-4alpha2 Aubere Bauteile Polsterung External Upholstery Rueckspiegel Rearview
Kx080-4alpha2 Aubere Bauteile Polsterung External Upholstery Schaumgummi (Bogen)
Kx080-4alpha2 Aubere Bauteile Polsterung External Upholstery Schaumgummi (Bogen)
Kx080-4alpha2 Aubere Bauteile Polsterung External Upholstery Schaumgummi (Deckel)
Kx080-4alpha2 Aubere Bauteile Polsterung External Upholstery Schaumgummi (Deckel)
Kx080-4alpha2 Aubere Bauteile Polsterung External Upholstery Schaumgummi (Motorhaube)
Kx080-4alpha2 Aubere Bauteile Polsterung External Upholstery Schaumgummi (Motorhaube)
Polsterung External Upholstery Schaumgummi (Gewicht) [Ausser Zweiteiligem Auslegertyp]
Bauteile Polsterung External Upholstery Schaumgummi (Gewicht) [Zweiteiligem Auslegertyp]
Kx080-4alpha2 Aubere Bauteile Polsterung External Upholstery Kissen Cushion
Aubere Bauteile Polsterung External Upholstery Gewicht [Ausser Zweiteiligem Auslegertyp]
Aubere Bauteile Polsterung External Upholstery Gewicht [Ausser Zweiteiligem Auslegertyp]
Aubere Bauteile Polsterung External Upholstery Gewicht [Zweiteiligem Auslegertyp]
Aubere Bauteile Polsterung External Upholstery Gewicht [Zweiteiligem Auslegertyp]
Kx080-4alpha2 Aubere Bauteile Polsterung External Upholstery Sitz Seat
Kx080-4alpha2 Aubere Bauteile Polsterung External Upholstery Sitz [Einzel Teil] Seat [
Kx080-4alpha2 Buhne Von Fahrer Operator’s Platform Kabine (Koerper) Cabin (Body)
Kx080-4alpha2 Buhne Von Fahrer Operator’s Platform Kabine (Tuer) Cabin (Door)
Kx080-4alpha2 Buhne Von Fahrer Operator’s Platform Kabine (Tuerschloss) Cabin (Door
Kx080-4alpha2 Buhne Von Fahrer Operator’s Platform Kabine (Fenster) Cabin (Window)
4alpha2 Buhne Von Fahrer Operator’s Platform Kabine (Schloss Des Frontfensters) Cabin
Kx080-4alpha2 Buhne Von Fahrer Operator’s Platform Kabine (Fenster Vorne Oben) Cabin (Window
4alpha2 Buhne Von Fahrer Operator’s Platform Kabine (Fenster Vorne Unten) Cabin (Window
4alpha2 Buhne Von Fahrer Operator’s Platform Fensterverbindung (Fenster Vorne Link) Cabin
Kx080-4alpha2 Buhne Von Fahrer Operator’s Platform Kabine (Trimm) Cabin (Sponge)
Kx080-4alpha2 Buhne Von Fahrer Operator’s Platform Kabine (Futter) Cabin (Lining)
Kx080-4alpha2 Buhne Von Fahrer Operator’s Platform Kabine (Rueckspiegel) Cabin (Rearview
Kx080-4alpha2 Buhne Von Fahrer Operator’s Platform Kabine (Fuellung) Cabin (
Kx080-4alpha2 Buhne Von Fahrer Operator’s Platform Kabine (Kanal) Cabin (Duct)
Kx080-4alpha2 Buhne Von Fahrer Operator’s Platform Kabine (Rückwand) Cabin (Rear
Kx080-4alpha2 Buhne Von Fahrer Operator’s Platform Kabine (Scheibenwischermotor) Cabin
Kx080-4alpha2 Buhne Von Fahrer Operator’s Platform Kabine (Kabelgeschirr) Cabin (Electrical
Kx080-4alpha2 Buhne Von Fahrer Operator’s Platform Kabine (Audio-System) Cabin (Audio
Kx080-4alpha2 Buhne Von Fahrer Operator’s Platform Kabine (Heizkoerper) Cabin (
Kx080-4alpha2 Buhne Von Fahrer Operator’s Platform Kabine (Entfroster) Cabin (
Kx080-4alpha2 Buhne Von Fahrer Operator’s Platform Kabine (Klimaanlage) Cabin (Air
Kx080-4alpha2 Buhne Von Fahrer Operator’s Platform Kabine (Klimaanlage 4) Cabin (Air
Kx080-4alpha2 Buhne Von Fahrer Operator’s Platform Kabine (Klimaanlage 5) Cabin (Air
Aufkleber Labels Aufkleber (Vorne) [Ausser Zweiteiligem Auslegertyp] Label (Front) [
4alpha2 Aufkleber Labels Aufkleber (Vorne) [Zweiteiligem Auslegertyp] Label (Front) [Two-
Aufkleber Labels Aufkleber (Fuellung) [Ausser Zweiteiligem Auslegertyp] Label (Panel) [
4alpha2 Aufkleber Labels Aufkleber (Fuellung) [Zweiteiligem Auslegertyp] Label (Panel) [
Aufkleber Labels Aufkleber (Hinten) [Ausser Zweiteiligem Auslegertyp] Label (Rear) [
4alpha2 Aufkleber Labels Aufkleber (Hinten) [Zweiteiligem Auslegertyp] Label (Rear) [Two-
Kx080-4alpha2 Sontiges Zubehoer Accessories Sontiges Zubehoer Accessories
Option Option Gewicht [Ausser Zweiteiligem Auslegertyp] [Option] Weight Kit [Except Two-
4alpha2 Option Option Gewicht [Zweiteiligem Auslegertyp] [Option] Weight Kit [Two-Piece












